Grove DS350 RT750 RT750E Workshop Manual
Size: 87.1 MB
Language: English ES
Machine: Cranes
Document: Operators Manual Service and Maintenance Manual Parts Manual Hydraulic and Electrical Diagram
Model List:
Grove DS350 1318 Graphic 221132 Operators Handbook
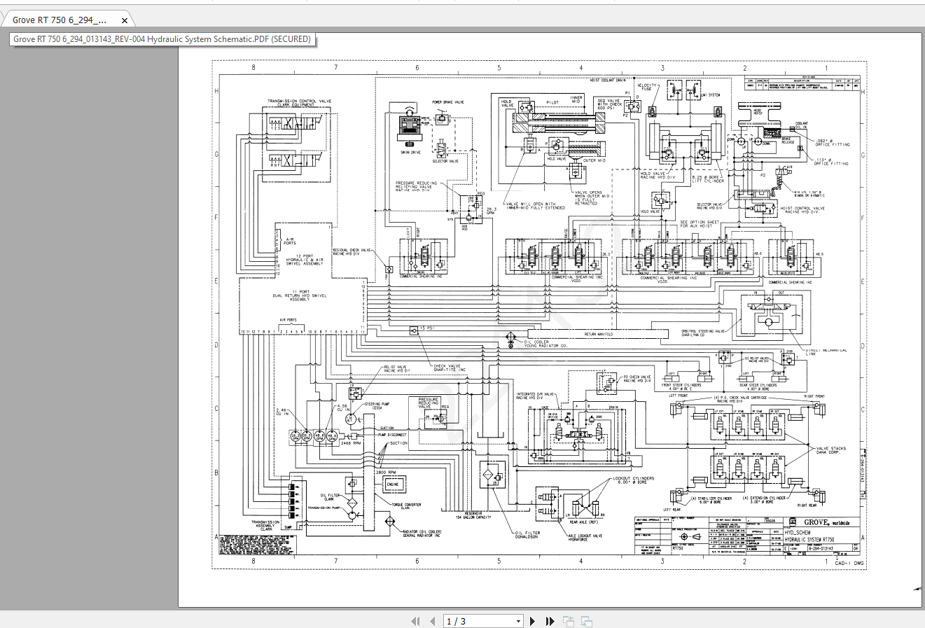
Grove RT750 6 294 013143 REV-004 Hydraulic System Schematic
Grove RT750 221132 Load Charts ES
Grove RT750 221132 REV-002 Parts Manual
Grove RT750 760 6-294-013976 REV-G Electrical Schematic Diagram
Grove RT750E 6-294-100338 REV-K Electrical Schematic
Grove RT750 221132 Operators and Safety Handbook
Grove RT750 Series 221132 Service Manual




