Grove GMK4100 Electrical Pneumatic and Hydraulic Schematics
Size: 19.9 MB
Language: English Deutsch
Machine: Crane
Machine Model: GMK4100
Document: Electric Schematics, Hydraulic Schematics, Pneumatic Schematics
List files:
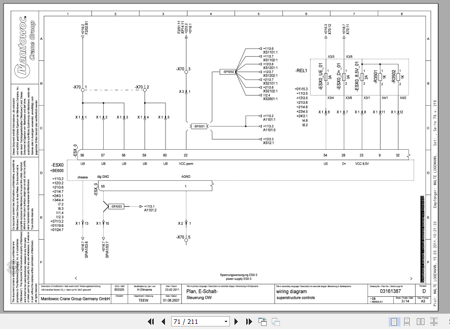
Grove GMK4100 Electric Schematics
Grove GMK4100 Hydraulic Schematics
Grove GMK4100 Pneumatic Schematics



