Grove GMK5160 Parts Catalog Schematics Operation Manual
Size: 359 MB
Language: English Deutsch
Machine: Crane
Machine Model: GMK5160
Document: Parts Catalog Schematics Operation Manual
List Files:
Hydraulic Schematic
03007157 Hydraulic Diagrams
Operating InstRusianction
Grove GMK5160 Operating InstRusianction 2085231EN 19980310
Grove GMK5160 Operating Manual InstRusianction 2085593 19960311
Grove GMK-5160 Operating Instruction 2085472 19970127
Grove GMK5160 Operating InstRusianction Manual 2085441 19961109
Grove GMK 5160 Operating Manual 2085480 19970211
Grove GMK5160 Operating InstRusianction 2085416EN 19960424
Grove GMK-5160 Operating InstRusianction 2085507 19941220
Grove GMK5160 Operating Instruction 2085442 19961001
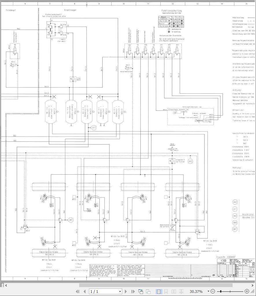
Pneumatic Schematic
03008407 Pneumatic Diagrams
03008410 Pneumatic Diagrams
Spare Parts Catalog
Grove GMK5160 3 004 394 DE 19960201 Spare Parts Manual PDF
Grove GMK5160 3 007 151 DE 19990301 VOL 1 Spare Parts Manual PDF
Grove GMK5160 3 007 151 DE 19990301 VOL 2 Spare Parts Manual PDF
Grove GMK5160 3 010 291 DE 19961101 VOL 1 Spare Parts Manual PDF
Grove GMK5160 3 010 291 DE 19961101 VOL 2 Spare Parts Manual PDF


