Grove GROVE 2.1 Training Manuals and Schematics PDF
Data Size: 294 MB
File Type: PDF
Language: English, German
Manufacturer: Grove
Document: Schematics, Operator Manual, Load Charts, Service Manual, etc
Applicable Machine: Crane
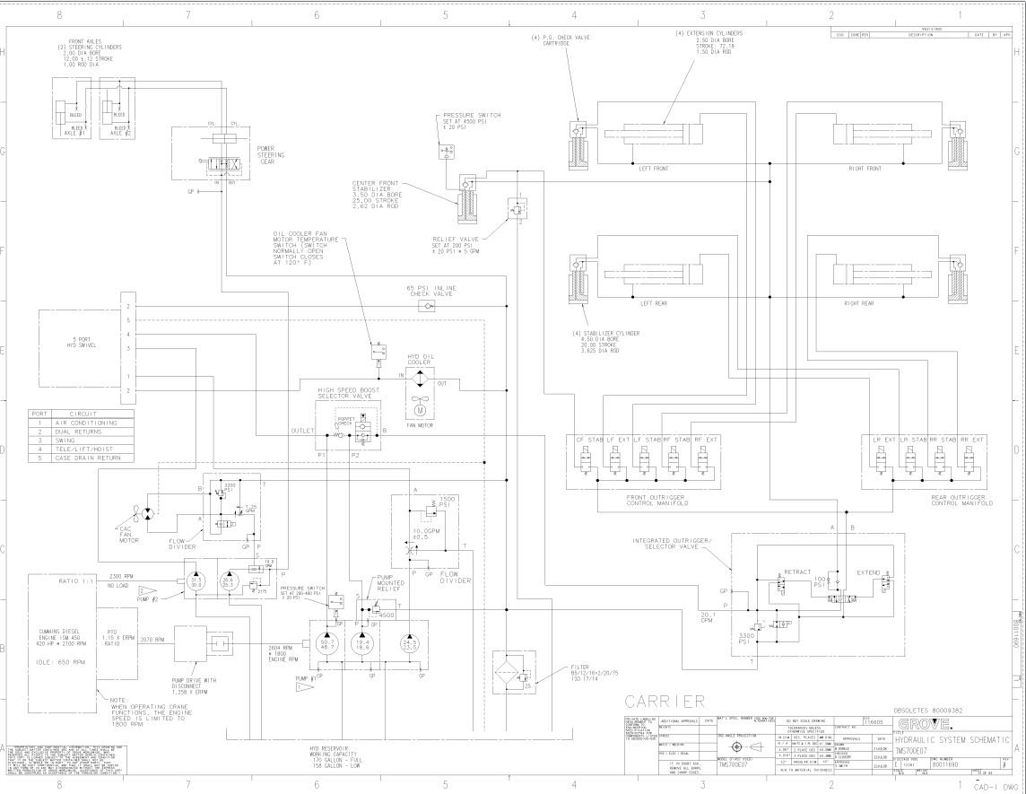
Machine Model: Grove TMS700E RT600E RT700E RT890E RT9000E TMS800E RT530E-2 Crane
List Contents:
SCHEMATIC READING & SYMBOLS
Schematic reading tips
Electrical Symbols
Hydraulic Symbols
Air Supply Symbols
TMS700E
Hydraulic Schematic
Electrical Schematic
Air Schematic
Pressure Setting Procedure
Air System Test Procedure
Operators Manual
Load Chart
Service Manual
RT600E
Hydraulic Schematic
Electrical Schematic
Gear Pump Start up
Pressure Setting Procedure
Operators Manual
Load Chart
Service Manual
RT700E
Presentation
Hydraulic Schematic
Electrical Schematic
Pressure Setting Procedure
Operators Manual
Load Chart
Service Manual
RT890E
Presentation
Hydraulic Schematic
Electrical Schematic
Piston Pump Start up
Pressure Setting Procedure
Operators Manual
Load Chart
Service Manual
RT9000E
Presentation
Hydraulic Schematic
Electrical Schematic
Pressure Setting Procedure
Operators Manual
Load Chart
Service Manual
TMS800E
Hydraulic Schematic
Electrical Schematic
Air Schematic
Pressure Setting Procedure
Air System Test Procedure
Operators Manual
Load Chart
Service Manual
RT530E-2
Presentation
Hydraulic Schematic
Electrical Schematic
Piston Pump Start up
Pressure Setting Procedure
Operators Manual
Load Chart
Service Manual
Gen.1 HED Material
CAN Line Components
Service Tool Manual ( GEN.1 Software)
Setting EEProm Parameter GEN1.
Gen.1 Electrical Diagnostic Lamp and flasher procedure .
Gen . 2 HED Material
HED CANlink Procedure
HED CANlink Manual (Gen.2 Software)
Pedal Calibration ( Setting ADC high & lows )
IMIN & IMAX Adjustments
Controller Adjustment
$150


