Grove RT500 Schematics Operation Manual
Size: 78.5 MB
Language: English
Machine: Crane
Machine Model: RT500
Document: Schematics Operation Manual
List Files:
Electrical Schematic
Grove RT500C ES 6294007389 REV 11 Electric Wiring Diagrams PDF EN
Groves RT500 ES 6294005672 Electric Wiring Diagrams PDF EN
Groves RT500C RT600BES 6294006760 Electric Wiring Diagrams PDF EN
Groves RT500D ES 6294013965 REV E Electric Wiring Diagrams PDF EN
Groves RT500D RT500DXL ES 6294013500 Electric Wiring Diagrams PDF EN
Groves RT500E4i ES 80071354 Electric Wiring Diagrams PDF EN
Groves RT515 ES 6294003329 Electric Wiring Diagrams PDF EN
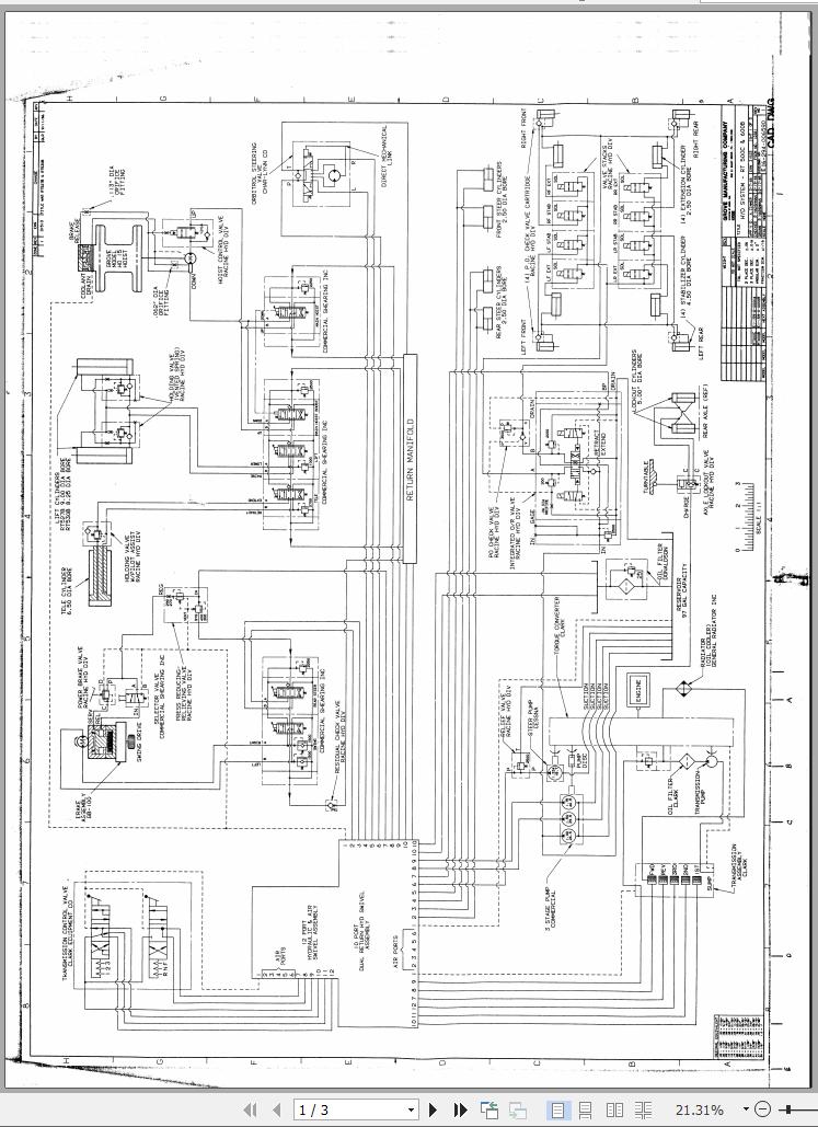
Hydraulic Schematic
Groves RT500C Hydraulic Diagrams PDF EN
HS 6294006590 REV
Groves RT500C Hydraulic Diagrams PDF EN
HS 6294006720 REV 12
HS 6294013737
Groves RT500D Hydraulic Diagrams PDF EN
HS 6294010315 REV 4
Operating Manual
Grove RT500E 6828100166 MARCH 04 Operators and Safety Handbook
Grove RT500C W HRC MAR 95 Operators and Safety Handbook
Grove RT500 JUNE 83 Operators and Safety Handbook
Grove RT500D RT500DXL MAY 1996 Operators and Safety Handbook


