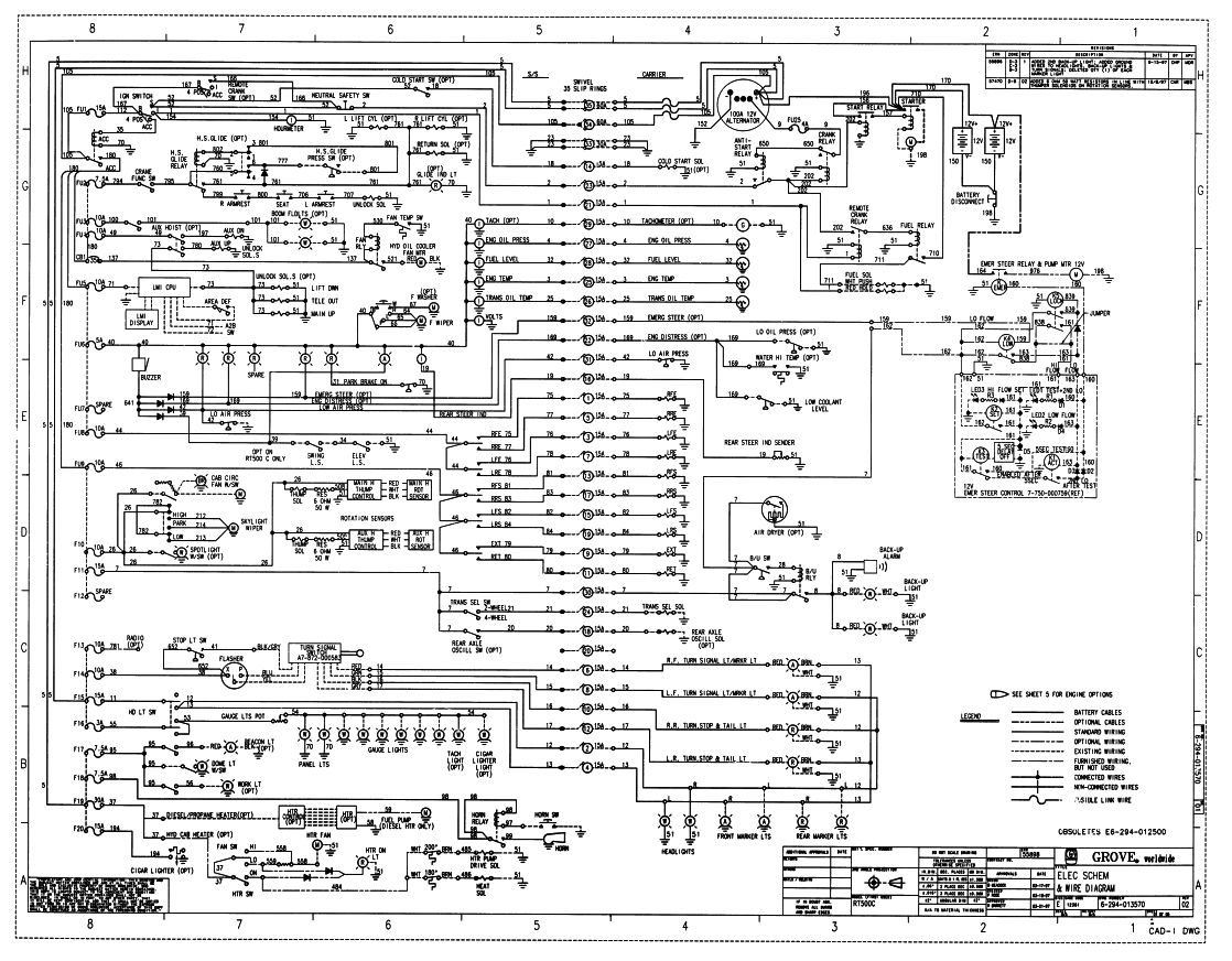
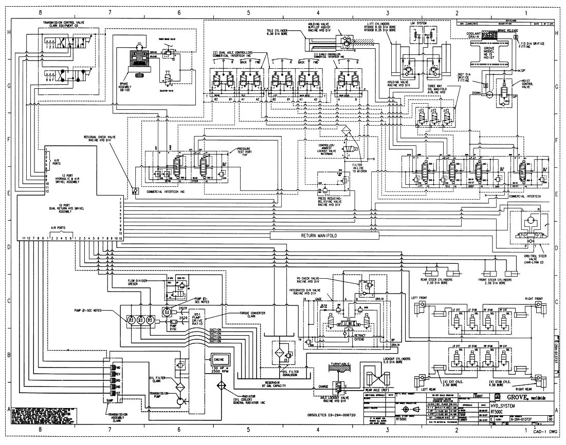
Grove RT528 Hydraulic and Electrical Schematics PDF
Data Size: 36.4 MB
File Type: TIFF
Language: English
Manufacturer: Grove
Document: Hydraulic Schematic, Electrical Schematic
Applicable Machine: Crane
Machine Model: Grove RT 528 Crane
List Contents:
6294013570-1f
6294013570-2f
6294013570-3f
6294013570-4f
6294013570-5f
6294013737_1_#_00
6294013737_2_#_00
6294013737_3_#_00
6294013737_4_#_00


