Grove RT750 Parts Catalog Schematics
Size: 28.0 MB
Language: English
Machine: Crane
Machine Model: RT750
Document: Parts Catalog Electric Schematic Hydraulic Schematic
List files:
Electrical Schematic
Groves RT750 RT760 ES 6294013976 Electric Wiring Diagrams (5 Pages)
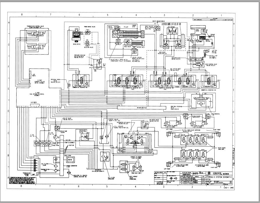
Hydraulic Schematic
- HS 6294013143 REV 4 (3 Pages)
- HS 6294013574 (2 Pages)
- HS 6294014349 (2 Pages)
Parts Catalog
Grove RT750 86207-004 Spare Parts Manual PDF (1017 Pages)
Grove RT750 220875-001 Spare Parts Manual (1109 Pages)
Grove RT750 84784 Spare Parts Manual (873 Pages)


