Grove RT750 Workshop Manual
Size: 86.7 MB
Language: English
Machine: Cranes
Document: Operators Manual Service and Maintenance Manual Parts Manual Hydraulic and Electrical Diagram
Model List:
Grove DS350 1318 220983 Graphic PAT Operators Handbook
Grove RT750 220983 Load Charts
Grove RT750 220983 Operators and Safety Handbook
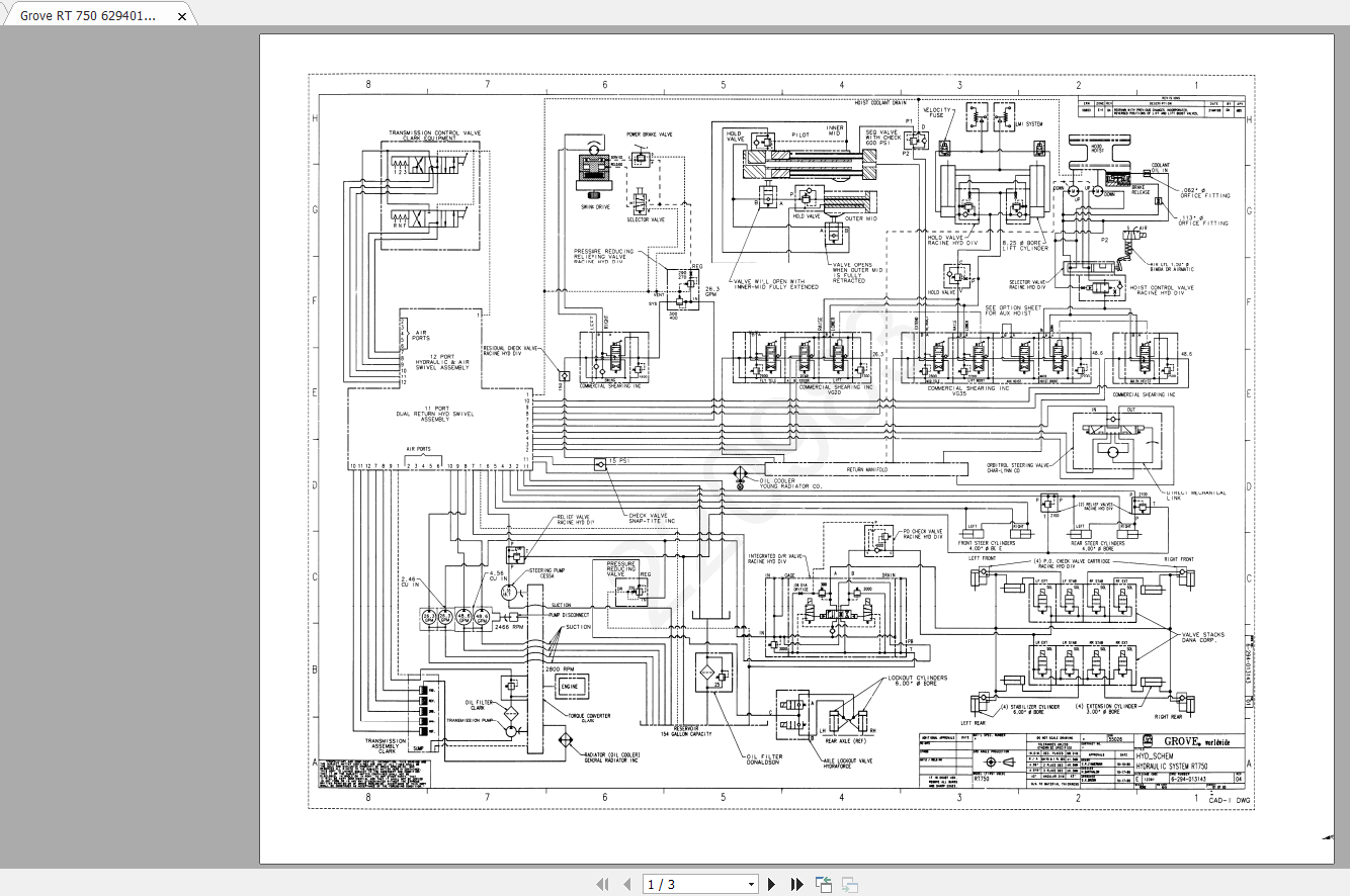
Grove RT750 6294013143 Hydraulic System Schematic
Grove RT750 6294013976 Electrical Schematic Diagram
Grove RT750 220983 Service Manual
Grove RT750 220983 001 Parts Manual




