Grove RT855B Operators Manual and Schematic
Size: 34.2 MB
Language: English
Machine: Crane
Machine Model: RT855B
Document: Schematic Operators Manual
List files:
Electrical Schematic
Grove RT855B RT865B ES 6294013384 REV J Electric Wiring Diagrams (8 Pages)
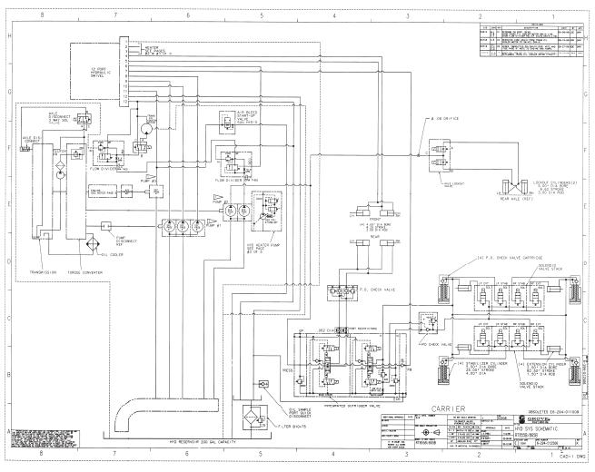
Hydraulic Schematic
Groves RT855B 865B Hydraulic Diagram HS 6294012506 REV K (7 Pages)
Operators Manual
Grove RT855B JUNE 95 SUPP NOV 97 Operators and Safety Handbook (166 Pages)
Grove RT855Bs REV JUNE 1995 Operators And Safety Handbook (166 Pages)
Pneumatic Schematic
- PS 6294010515 REV D (2 Pages)
- PS 6294013131 REV B (2 Pages)


