Grove RT860 RT865 Operator Parts Manual and Hydraulic Schematic
Size: 75.2 MB
Language: English
Machine: Crane
Machine Model: RT860 RT865
Document: Parts Catalog Hydraulic Schematic Operators Manual
List files:
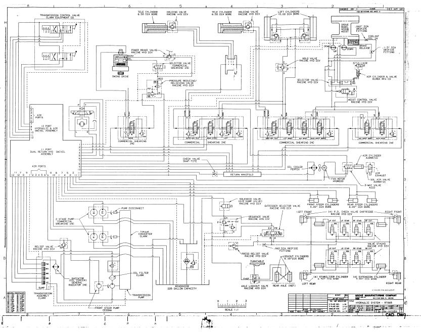
Hydraulic Schematic
Groves RT865 Hydraulic Diagram 6294003259 (3 Pages)
Operators Manual
Grove RT860 MAR 1998 Operators And Safety Handbook (166 Pages)
Grove RT865s OCT 81 Operators and Safety Handbook (196 Pages)
Parts Catalog
Grove RT860 221355 Spare Parts Manual (1240 Pages)



