Grove RT865B Operators Manual and Schematic
Size: 52.9 MB
Language: English
Machine: Crane
Machine Model: RT865B
Document: Hydraulic Schematic Pneumatic Schematic Operators Manual
List files:
Hydraulic Schematic
Groves RT865B Hydraulic Diagrams 6294011009 REV 12 (7 Pages)
Operators Manual
Grove RT865B Series SEPT 1995 Operators and Safety Handbook (164 Pages)
Grove RT865B JUNE 1993 Operators and Safety Handbook (151 Pages)
Grove RT865BXL AUG 1998 Operators and Safety Handbook (190 Pages)
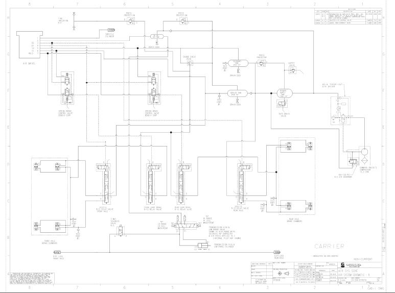
Pneumatic Schematic
Groves RT865B Pneumatic Diagrams 6294010516 REV D (2 Pages)


