Grove RT875C Operators Manual and Schematic
Size: 22.6 MB
Language: English
Machine: Crane
Machine Model: RT875C
Document: Electric Schematic Hydraulic Schematic Operators Manual
List files:
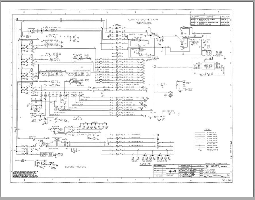
Electric Schematic
Groves RT875 ES 6294011069 Electric Wiring Diagrams (1 Page)
Groves RT875 RT880 ES 6294010602 Electric Wiring Diagrams (6 Pages)
Hydraulic Schematic
Groves RT875 Hydraulic Diagram 6294007975 REV 3 (4 Pages)
Operators Manual
Grove RT875C 2000 Operators and Safety Handbook (173 Pages)
Grove RT875C OCT 2000 Operators and Safety Handbook (173 Pages)


