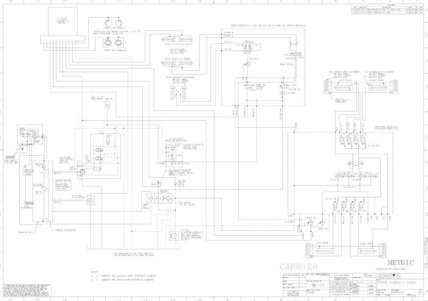
Grove RT875E Operators Manual and Schematic
Size: 14.8 MB
Language: English
Machine: Crane
Machine Model: RT875E
Document: Electric Schematic Hydraulic Schematic Operators Manual
List files:
Electric Schematic
Groves RT875E ES 6294101517 Electric Wiring Diagrams (4 Pages)
Groves RT875E3 ES 6294101824 REV A Electric Wiring Diagrams (4 Pages)
Hydraulic Schematic
Groves RT875E Hydraulic Diagrams 6294101537 REV H (5 Pages)
Operators Manual
Grove RT875E CTRL007-00 Operators Manual 10.2004 (122 Pages)
Grove RT875Es CTRL070-08 Operators Manual 2008 (122 Page)


