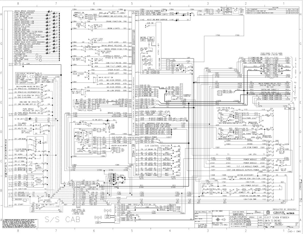
Grove RT880 Electrical Schematics PDF
Data Size: 16.6 MB
File Type: PDF
Language: English
Manufacturer: Grove
Document: Electrical Wiring Diagrams
Applicable Machine: Crane
Machine Model: Grove RT 880 Crane
List Contents:
80038627 Elect Schem RT880E4 with T3 Engine S01.pdf
80038627 Elect Schem RT880E4 with T3 Engine S02.pdf
80038627 Elect Schem RT880E4 with T3 Engine S03.pdf
80038627 Elect Schem RT880E4 with T3 Engine S04.pdf
80046344 Electrical Schematic Wads Supplemental.pdf


