Grove RT890E 230582 Workshop Manual
Size: 266 MB
Language: English
Machine: Crane
Machine Model: RT890E
Document: Workshop Manual
Content:
1. HOW TO USE Grove RT890E
2. LOAD CHARTS Grove RT890E
3. Marketing Grove RT890E
4. Operators Manual Grove RT890E
5. PARTS MANUAL Grove RT890E
6. PAT OPERATION Grove RT890E
7. PAT SERVICE Grove RT890E
8. SAFETY VIDEO Grove RT890E
9. SERVICE and MAINTENANCE MANUAL Grove RT890E(Spanish)
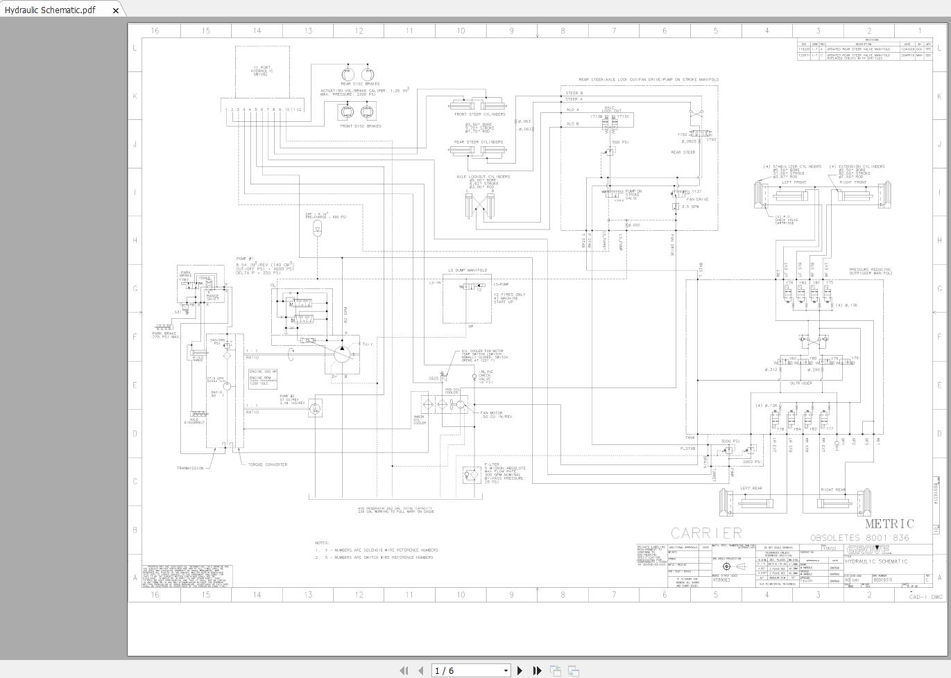
10. TROUBLESHOOTING(HYDRAULIC and ELECTRICAL DIAGRAM) Grove RT890E




