Grove RT890E RT890E3 RT890E4 Workshop Manual
Size: 254 MB
Language: English Spanish
Machine: Cranes
Document: Operators Manual Service and Maintenance Manual Parts Manual Hydraulic and Electrical Diagram
Model List:
Grove RT890E 225635 Load Chart
Grove RT890E CTRL 068-10 Operators Manual
Grove RT890E Ctrl 069-01 Service Manual
Grove RT890E Pressure Setting Procedure 80019315 Rev A
Grove RT890E RT88E RT875E 6829103587 Rev-A Piston Pump StaRTUp Procedure
Grove RT890E3 80012195 Rev# Electrical Schematic
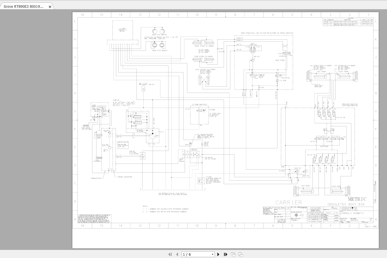
Grove RT890E3 80019314 Rev-C Hydraulic Schematic
Grove RT890E4 80021474 Rev-F Hydraulic Schematic
Grove RT890E4 CTRL 307-02 Operators Manual
Grove RT890E4 CTRL 308-02 Service Maintenance Manual
Grove RT890E4 Ctrl 307-00 Operators Manual Spanish
Grove RT890E Ctrl 069-07 Service Manual




