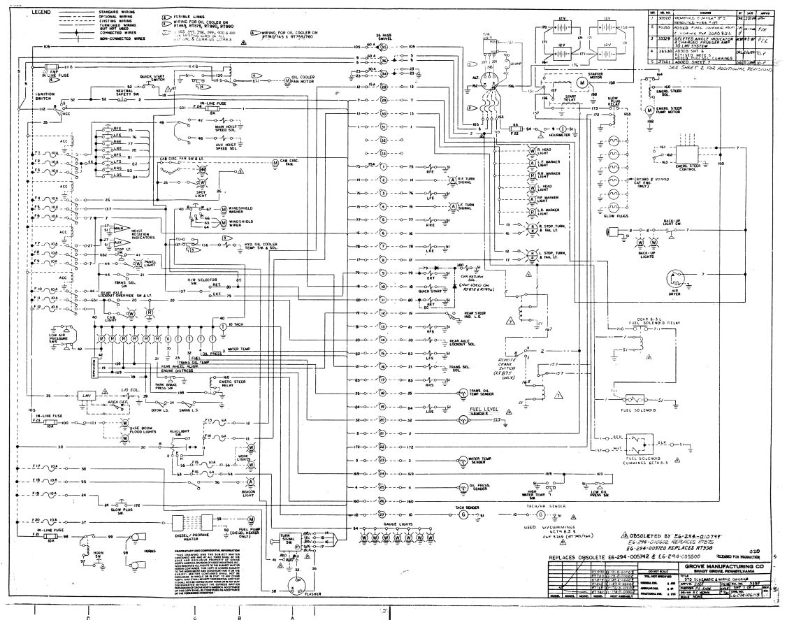
Grove TMS475LP Electrical and Hydraulic Schematics PDF
Data Size: 38.6 MB
File Type: PDF
Language: English
Manufacturer: Grove
Document: Electrical Schematic, Hydraulic Schematic
Applicable Machine: Crane
Machine Model: Grove TMS 475LP Crane
List Contents:
6294001118-1f
6294001118-2f
6294001118-3f
6294006195-1f
6294006195-2f
6294006195-3f
6294006195-4f
6294006195-5f
6294006195-6f
6294006195-7f


