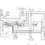
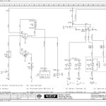
Hamm 3307 3307 VIO 3307P H1.59 Hydraulic Electric Diagrams
Size: 41.8 MB
Format: Word
Language: English, Deutsch
Brand: Hamm
Machine: Roller
Document: Hydraulic Electric Diagrams
Model: Hamm Roller 3307 3307 VIO 3307P H1.59
Serial Number: H1590348
List Content:
Hamm Roller 3307 3307 VIO 3307P H1.59 Electric Diagrams EN
Hamm Roller 3307 3307 VIO 3307P H1.59 Hydraulic Diagrams DE



