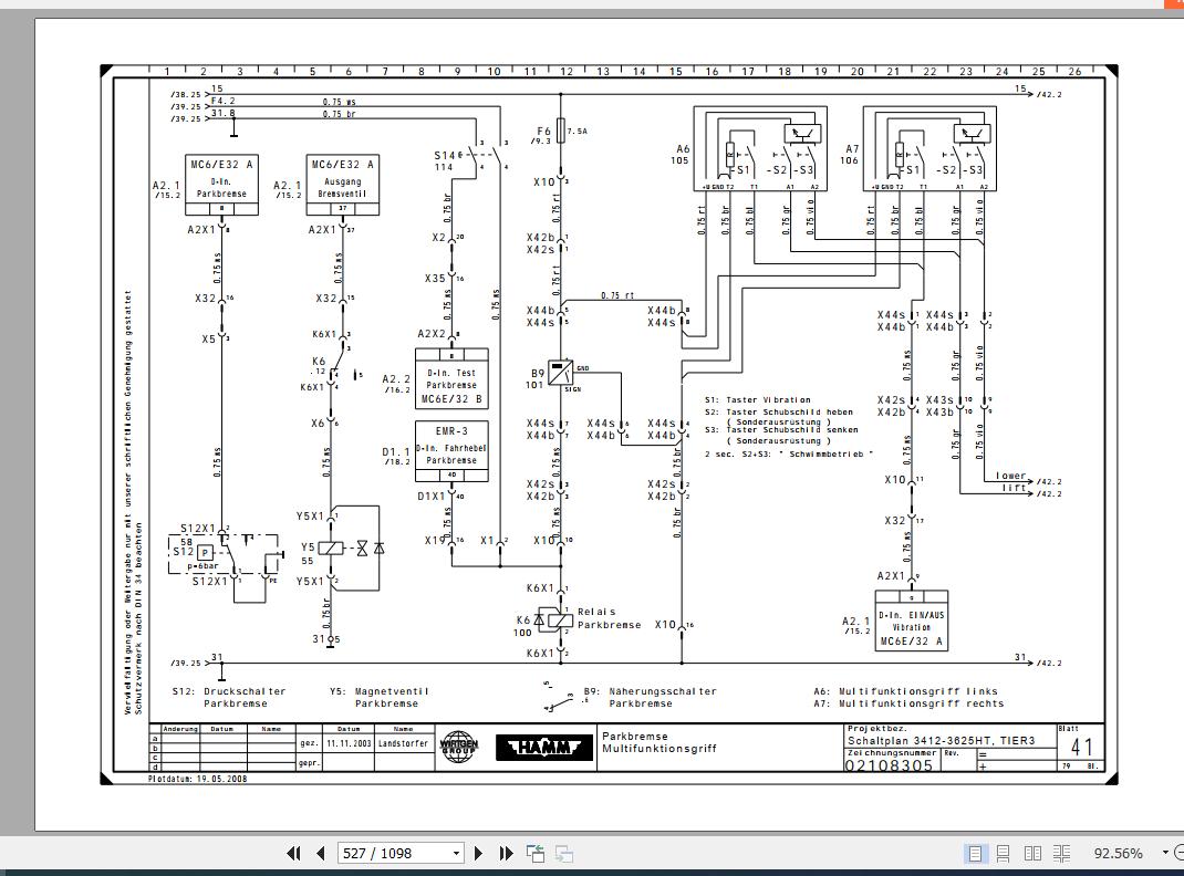
Hamm 3412-3625 H176-180 Service Training
Size: 58.2 MB
Format: PDF
Language: Deutsch
Brand: Hamm
Machine: Roller
Document: Service Training
Model: Hamm Roller 3412-3625 H176-180
Date: 03/05/2010
Number of Pages: 1098 Pages
Size: 58.2 MB
Format: PDF
Language: Deutsch
Brand: Hamm
Machine: Roller
Document: Service Training
Model: Hamm Roller 3412-3625 H176-180
Date: 03/05/2010
Number of Pages: 1098 Pages



