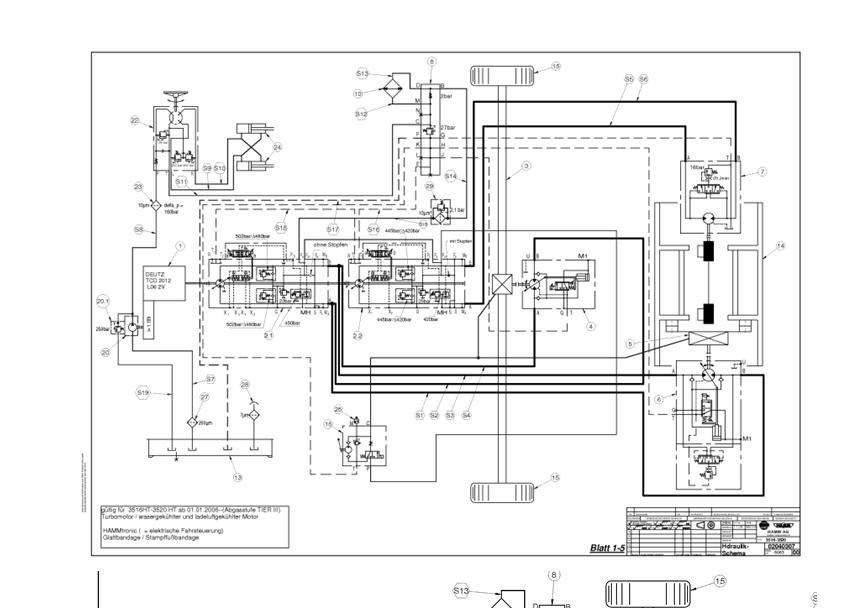
Hamm 3516(HT,P) 3518(HT,P) 3520(HT,P) H1.76 Hydraulic Electric Diagrams
Size: 45.8 MB
Format: Word
Language: English, Deutsch
Brand: Hamm
Machine: Roller
Document: Hydraulic Electric Diagrams
Model: Hamm Roller 3516HT 3518HT 3520HT 3516HTP 3518HTP 3520HTP H176
Order Number: 2218210
List Content:
Hamm Roller 3516(HT,P) 3518(HT,P) 3520(HT,P) H1.76 Electric Diagrams EN
Hamm Roller 3516(HT,P) 3518(HT,P) 3520(HT,P) H1.76 Hydraulic Diagrams DE



