Heli Electric Pallet Truck CBD35-530 Electric Schematic and Operation Maintenance Manual
Size: 1.82 MB
Machine: Electric Pallet Truck
Document: Electric Schematic, Operation and Maintenance Manual
Model Machine: Heli CBD35-530 Electric Pallet Truck
Detail Content:
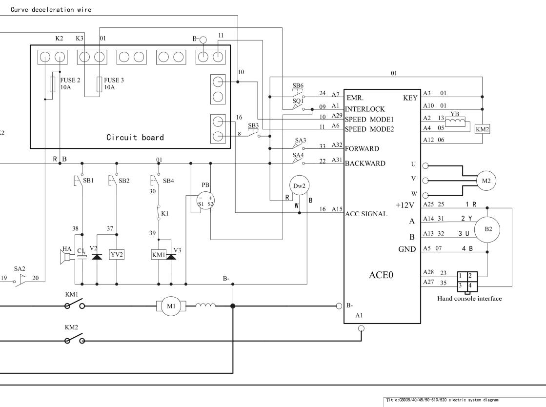
Heli Electric Pallet Truck CBD35-510 to CBD45-520 Electric Schematic (1 page)
Heli Electric Pallet Truck CBD35-530 Operation and Maintenance Manual (20 Pages)
1. General Introduction
2. Initial Use
3. Battery - Recharging,Replacement
4. Industrial Truck Operation
5. Maintenance And Repair


