Heli Forklift Truck G2 Series 1.5-2t Service Parts Manual
Size: 7.65 MB
Machine: Forklift Truck
Document: Service Manual, Parts Manual
Model Machine: Heli G2 Series 1.5-2t Forklift Truck
This Manual Is Suitable For The Following Model Machines:
CPDSR15-GA2, CPDSR15-GB2, CPDSR18-GA2, CPDSR18-GB2
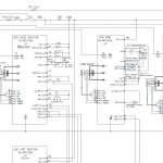
Detail Content:
Heli Electric Forklift G Series 1.5-2t CPDSR15-20 Information EN (2 Pages)
Heli Forklift CPDSR15-18-20-GA2 Parts Manual ZH EN (9 Pages)
Heli Forklift Truck G Series 1.5-2t CPDSR15 to CPDSR20 Service Manual EN (126 Pages)
#heli,#forklift,#1.5-2t,#service,#parts,
750


