Heli Forklift Truck G3 Series 4-5t Service Operation Parts Manual
Size: 5.19 MB
Machine: Lithium Battery Counterbalanced Forklift Truck
Document: Service Operation Manual, Parts Manual
Model Machine: Heli G3 Series 4-5t Lithium Battery Counterbalanced Forklift Truck
This Manual Is Suitable For The Following Model Machines:
CPD40, CPD45, CPD50
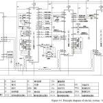
Detail Content:
Heli Forklift CPD40-45-50-GB2Li Parts Manual EN ZH (7 Pages)
Heli Forklift Truck G3 Series 4-5t Operation Service Manual EN (110 Pages)


