Heli Three-wheel Electric Tractor G Series 1.5-3t Parts Manual
Size: 23.5 MB
Machine: Three-wheel Electric Tractor
Document: Parts Manual
Model Machine: Heli G Series 1.5-3t Three-wheel Electric Tractor
The Following Tractors Are Provided With Corresponding Controller:
具体车型与电控的对应关系:
QYD15S-E1   CURTIS
QYD20S-E1   CURTIS
QYD30S-E1   CURTIS
Book Number: L270-2-2015 
Number Of Page: 32 Pages
Contents:
行车制动操纵装置 
转向轮总成 
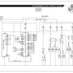
电气系统 
电气系统原理图 
车身线束 
电源插座(接蓄电池端) 
电源插座(接车体端) 
电缆连接线 
蓄电池组 
转向系统 
停车制动操纵装置 
机罩类及座椅 
底板类及车架 
驱动桥总成 
牵引座总成 
标牌和油漆布置图 
尾灯防护网 
前灯防护罩总成 
倒车镜装置(选配) 
BRAKE CONTROL MECHANISM
STEERING WHEEL ASS'Y
ELECTRIC SYSTEM
ELECTRIC PRINCIPLE DIAGRAM
BODY HARNESS
BATTERY SOCKET(TO BATTERY)
BATTERY SOCKET(TO BODY)
CONTROL CABLE
BATTERY ASS'Y
STEERING SYSYTEM
BRAKE LEVER CONTROL
HOOD & SEAT
FLOOR BOARD & FRAME
DRIVE AXLE ASS'Y
TRACTION SEAT ASS'Y
REAR LAMP GUARD
HEAD LAMP SHIELD ASS'Y
REARVIEW MIRROR(OPTIOANL)






