Hidromek HMK 600MG-4 Workshop Manual R60014501
Data Size: 68.51 MB
File Type: PDF
Language: English
Manufacturer: Hidromek
Applicable Machine: Motor Grader
Document: Workshop Manual, Electric and Hydraulic Diagrams
Machine Model: Hidromek HMK 600MG-4 Motor Grader
Book Number: R60014501
Page: 580 Pages
List Contents:
00 FOREWORD
01 Structure of Workshop Manual
02 How to Read This Manual
03 Conversion table
01 GENERAL
01 Safety Precautions
02 Specifications
A ENGINE SYSTEM
01 Engine Mounting
02 Air Intake System
03 Cooling System
04 Fuel System
05 Heater and Air Condition System
C OPERATOR CAB
01 Cab and Related Parts
D ATTACHMENTS
01 Attachments
E POWER TRAIN SYSTEM
01 Wheel and Tire Group
02 Front Axle
03 Rear Axle
04 Tandem Drive Mounting
05 Transmission
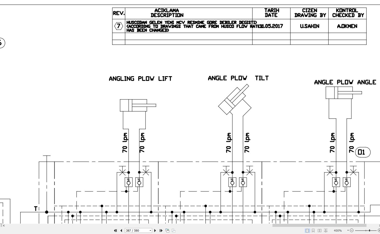
01 HYDRAULIC SYSTEM
01 Hydraulic System
HMK 600MG Hydraulic Diagram
G HYDRAULIC COMPONENTS
01 Hydraulic Pumps
02 Hydraulic Cylinders
03 Blade System
H STEERING SYSTEM
01 Steering System and Valves
J BRAKE SYSTEM
01 Air System
02 Service Brake
03 Parking Brake
04 Centershift Cylinder Lock
05 Differential Lock Control Valve
K ELECTRICAL SYSTEM
01 Main Electrical System
HMK 600MG-4 Electrical Harness Diagram


