Hino 500 FC3J GD1J FG1J GH1J FM1J FM2P Workshop Manual S1-YFCE16A
Format: HTML, DJVU
Brand: Hino
Languages: English
Machine: Buses and Trucks
Document: Workshop Manuals
Model: Hino 500 Series FC3J GD1J FG1J GH1J FM1J FM2P with J07C J08C P11C engines
Data Modified: 10/2015
S1-YFCE16C-0100 FOREWORD
S1-YFCE16C-0200 GENERAL INTRODUCTION (CHASSIS)
S1-YFCE16C-0300 CLUTCH MAIN UNIT (CS350)
S1-YFCE16C-0400 CLUTCH MAIN UNIT (CS380)
S1-YFCE16C-0600 TRANSMISSION MAIN UNIT (LF05S)
S1-YFCE16C-0700 TRANSMISSION MAIN UNIT (LJ06S)
S1-YFCE16C-0700 CLUTCH CONTROL
S1-YFCE16C-0800 TRANSMISSION MAIN UNIT (MF06S)
S1-YFCE16C-1100 P.T.O. (POWER TAKE-OFF) (TRANSMISSION SERIES: LF05S, LJ06S)
S1-YFCE16C-1200 P.T.O. (POWER TAKE-OFF) (TRANSMISSION SERIES: MF06S)
S1-YFCE16C-1200 TRANSMISSION MAIN UNIT (EATON FS8209, ES11109)
S1-YFCE16C-1300 P.T.O. (POWER TAKE-OFF) (EATON)
S1-YFCE16C-1300 TRANSMISSION MAIN UNIT (ZF9S109)
S1-YFCE16C-1500 PROPELLER SHAFT (LD0932)
S1-YFCE16C-1600 PROPELLER SHAFT (LF0932
S1-YFCE16C-1700 PROPELLER SHAFT (MC1040)
S1-YFCE16C-1800 PROPELLER SHAFT (HD1050)
S1-YFCE16C-1900 PROPELLER SHAFT (HE1160)
S1-YFCE16C-2000 DIFFERENTIAL CARRIER (SH13)
S1-YFCE16C-2100 DIFFERENTIAL CARRIER (SH14)
S1-YFCE16C-2200 DIFFERENTIAL CARRIER (SH16)
S1-YFCE16C-2300 DIFFERENTIAL CARRIER (SH17)
S1-YFCE16C-2400 DIFFERENTIAL CARRIER (THD17)
S1-YFCE16C-2500 BRAKE EQUIPMENT (MODELS: FC, GD, FG, GH)
S1-YFCE16C-2500 TRANSMISSION/TRANSFER CONTROL
S1-YFCE16C-2600 BRAKE EQUIPMENT (MODEL: FM)
S1-YFCE16C-2700 SERVICE BRAKE (MODELS: FC, GD, FG, GH)
S1-YFCE16C-3000 EXHAUST BRAKE
S1-YFCE16C-3100 PARKING BRAKE (MODELS: FC, GD)
S1-YFCE16C-3200 PARKING BRAKE (MODELS: FG, GH)
S1-YFCE16C-3300 STEERING EQUIPMENT
S1-YFCE16C-3500 POWER STEERING
S1-YFCE16C-3600 FRONT AXLE (LF366)
S1-YFCE16C-3700 FRONT AXLE (LF458)
S1-YFCE16C-3800 FRONT AXLE (LF578)
S1-YFCE16C-3900 FRONT AXLE (MF67I)
S1-YFCE16C-4000 FRONT AXLE (MF678)
S1-YFCE16C-4100 REAR AXLE (DIFFERENTIAL GEAR SERIES: SH13)
S1-YFCE16C-4200 REAR AXLE (DIFFERENTIAL GEAR SERIES: SH14)
S1-YFCE16C-4300 REAR AXLE (DIFFERENTIAL GEAR SERIES: SH16)
S1-YFCE16C-4400 REAR AXLE (DIFFERENTIAL GEAR SERIES: SH17)
S1-YFCE16C-4500 REAR AXLE (DIFFERENTIAL GEAR SERIES: THD17)
S1-YFCE16C-4600 WHEEL & TIRE
S1-YFCE16C-4700 SUSPENSION (MODELS: FC, GD)
S1-YFCE16C-4700 SERVICE BRAKE (MODEL: FM)
S1-YFCE16C-4800 SUSPENSION (MODELS: FG, GH)
S1-YFCE16C-4900 SUSPENSION (MODEL: FM)
S1-YFCE16C-5000 CHASSIS FRAME
S1-YFCE16C-5300 FOREWORD
S1-YFCE16C-6000 STEERING UNIT
S1-YFCE16C-8400 CAB
S1-YFCE16C-8500 ELECTRICAL EQUIPMENT
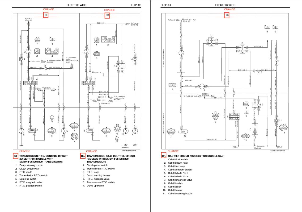
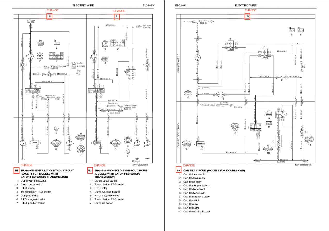
S1-YFCE16C-8600 ELECTRIC WIRE



