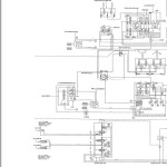
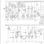
Hitachi DX145 DX175 Electrical & Hydraulic Circuit Diagram KM602E-01
Size: 491 KB
Machine: Bulldozer
Machine Model: DX145 DX175
Parts Number: KM602E-01
Content:
Hitachi DXI45 DX175 Brake System KM602E-01 1 page
Hitachi DX145 DX175 Electrical Circuit KM602E-01 1 page
Hitachi DX145 DX175 Hydlauric Circuit KM602E-01 1 page


