Hitachi DX195L Service Manual KM603E-00
Size: 144 MB
Machine: Bulldozer
Machine Model: DX195L
Page: 472 Pages
Parts Number: KM603E-00
The Bookmarks of Hitachi DX195L Bulldozer Service Manual:
Warning
Avoid Accidents
Safety Rules
Section 1 Engine Related Components
Section 2 Transmission
Section 3 Final Drives
Section 4 Transmission
Section 5 Hydraulic System
Section 6 Undercarriage
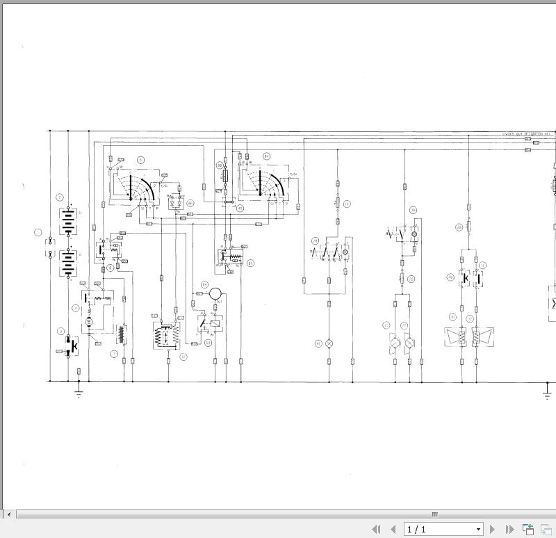
Section 7 Electrical System
Section 8 Operator Compartment


