Hitachi EH3500AC-3 EH4000AC EH5000AC Technical Manual QEB-EN-AA-01
Size: 29.0 MB
Machine: Rigid Dump Truck
Machine Model: EH3500AC-3 EH4000AC EH5000AC
Publication Date: 02.2022
Part Number: QEB-EN-AA-01
Detail:
Hitachi EH3500AC-3 EH4000AC EH5000AC Technical Manual TQEB-EN-AA-01(164 Page)
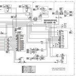
Hitachi EH3500AC-3 EH4000AC EH5000AC Electrical Circuit Diagram TQEB-EN-AA-00_circuit(2 Page)
Introduction
To The Reader
Additional References
Manual Composition
Page Number
Safety Alert Symbol And Headline Notations
Units Used
Symbol And Abbreviation
Safety
Recognize Safety Alert Symbols
Understand Signal Words
Before Returning The Machine To The Customer
Inspect Machine Before Operation (Daily Inspection)
Precautions For Operating Aerial Angle
Section And Group Contents
Section 1 General
Group 2 Component Layout
Section 2 System
Group 7 Aerial Angle
Section 4 Operational Performance Test
Group 7 Installation And Adjustment Of Components Related With Aerial Angle
Section 5 Troubleshooting
Group 1 Diagnosing Procedure
Group 8 Troubleshooting F
Section 6 Calibration Procedure
Group 1 Forward Mode
Group 2 Stationary Mode
Service Manual Revision Request Form
The Attached Diagram List
1. EH3500AC-3 EH4000AC-3 EH5000AC-3 Aerial Angle Electrical Circuit Diagram
2. EH5000AC-3 Aerial Angle Electrical Circuit Diagram
(Cummins Engine, Old Model Cab Specifications)


