Hitachi EX120-5 Technical Manual Troubleshooting TT-155E-02
Size: 7.54 MB
Machine: Excavator
Machine Model: EX120-5
Page: 231 Pages
Parts Number: TT-155E-02
The Bookmarks of Hitachi EX120-5 Technical Manual Troubleshooting:
Introduction
Safety
Section 4 Operational Performance Test
Group T Introducution
Group 2 Engine Test
Group 3 Excavator Test
Group 4 Component Test
Group 5 Standard
Section 5 Troubleshooting
Group T Diagnosing Procedure
Group 2 Component Layout
Group 3 Troubleshooting A
Group 4 Troubleshooting B
Group 5 Troubleshooting C
Group 6 Electrical System Inspection
Group 7 Harness Check
The Attached Diaglam List
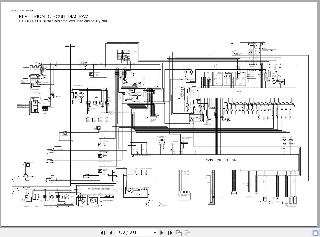
Electrical Circuit Diagram_I
Electrical Circuit Diagram_2
Connectors_I
Connectors_2
Eng. Harness
Cab Harness
Relay Harness_I
Relay Harness_2
AC Harness_I
AC Harness_2


