Hitachi EX160WD Serviceman Handbook KH-064-00
Size: 1.03 MB
Machine: Excavator
Machine Model: EX160WD
Page: 22 Pages
Parts Number: KH-064-00
The Bookmarks of Hitachi EX160WD Serviceman Handbook:
Contents
Specificatons
Performance Data
Engine
Wear Check
Electrical System
EX160WD Electrical Circuit
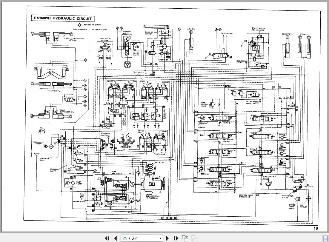
EX160WD Hydraulic Circuit


