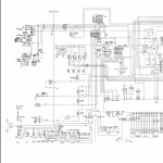
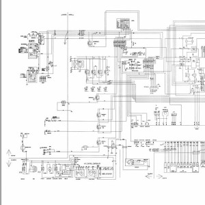
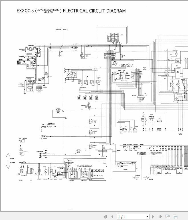
Hitachi EX200-5 Electrical Circuit Diagram TT160E-00
Size: 1.47 MB
Machine: Excavator
Machine Model: EX200-5
Content:
Hitachi EX200-5 Air Conditioner Harness TT160E-00 1 Page
Hitachi EX200-5 Cab Harness TT160E-00 1 Page
Hitachi EX200-5 Connectors TT160E-00 1 Page
Hitachi EX200-5 Electrical Circuit Diagram TT160E-00 1 Page
Hitachi EX200-5 Engine Harness TT160E-00 1 Page
Hitachi EX200-5 Relay Harness TT160E-00 1 Page


