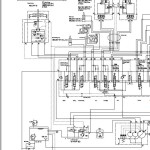
Hitachi EX30U EX32UE EX35U EX36UE Hydraulic Circuit Diagram T589E-01
Size: 464 KB
Machine: Excavator
Machine Model: EX30U EX32UE EX35U EX36UE
Page: 1 Pages
Parts Number: T589E-01
Hitachi EX30U EX32UE EX35U EX36UE Hydraulic Circuit Diagram T589E-01
Size: 464 KB
Machine: Excavator
Machine Model: EX30U EX32UE EX35U EX36UE
Page: 1 Pages
Parts Number: T589E-01

