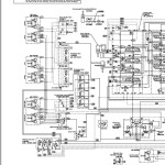
Hitachi EX400-3 EX400LC-5 EX450LC-5 Hydraulic Circuit Diagram TT166E-01
Size: 162 KB
Machine: Excavator
Machine Model: EX400-3 EX400LC-5 EX450LC-5
Page: 1 Pages
Parts Number: TT166E-01
Size: 162 KB
Machine: Excavator
Machine Model: EX400-3 EX400LC-5 EX450LC-5
Page: 1 Pages
Parts Number: TT166E-01

