Hitachi EX400 400LC 400H 400LCH Operator's Manual EM164-7-5
Size: 12.3 MB
Machine: Excavator
Machine Model: EX400 400LC 400H 400LCH
Serial Number: 02733 and up
Page: 162 Pages
Parts Number: EM164-7-5
The Bookmarks of Hitachi EX400 400LC 400H 400LCH Operator's Manual:
Contents Overview
Front Cover
To The Reader
Contents
To The Operator
Safety
Controls And Instruments
Prestart Inspection
Operation
Basic Machine Operation
Transporting
To The Machanic
Safety
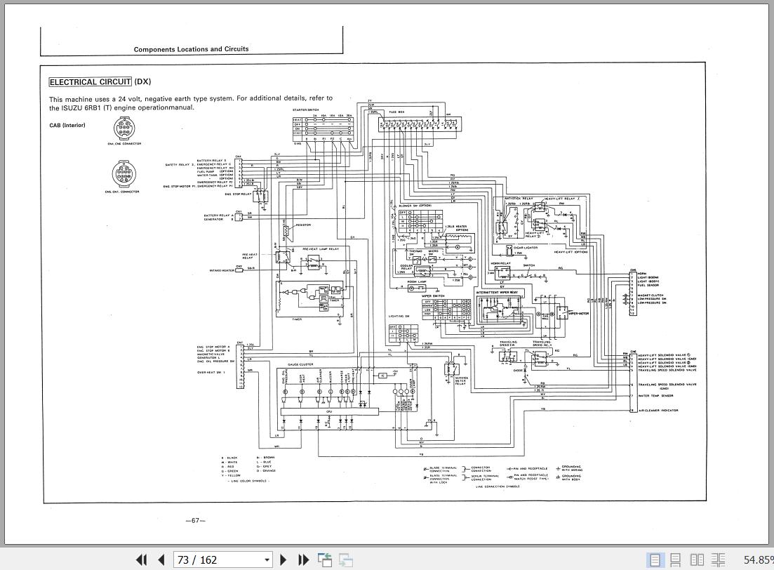
Components Locations And Circuits
Maintenance
Storage
Assembly Of Front-End Attachments
Troubleshooting
Specification


