Hitachi Isuzu 4HK1-XKSA GB3 Exhaust Emission Standards Technical Manual ETDCY-EN-00
Size: 5.9 MB
Machine: Isuzu Engine
Machine Model: 4HK1-XKSA GB3 Exhaust Emission Standards
Publication Date: 2015
Page: 315 Pages
Part Number: ETDCY-EN-00
The Bookmarks of Hitachi Isuzu 4HK1-XKSA GB3 Exhaust Emission Standards Technical Manual:
0 Introduction (All)
14A Service Information Guide (All)
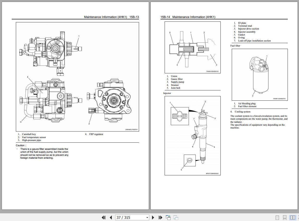
15B Maintenance Information (4HK1)
15C Functional Inspection (4HK1)
l5D Svmotom (4HKJI
15E DTC Information (4HK1)
1A Engine Control (4HK1)
Wiring Diagram


