0Your Cart$0.00
Shopping Cart (0)
No products in the cart.

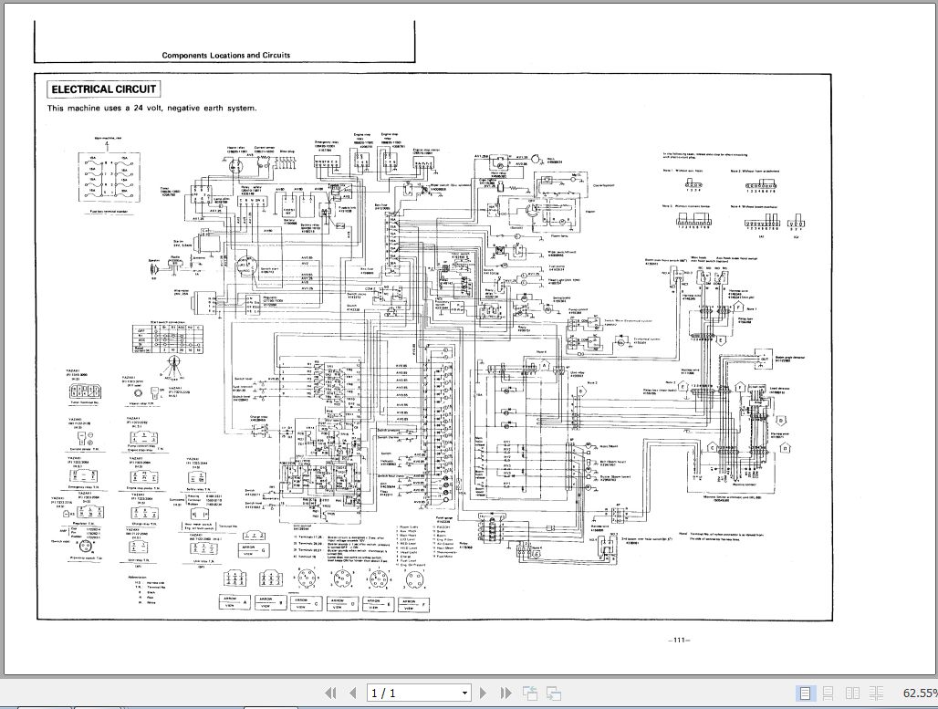
Hitachi KH100D Electrical Circuit Diagram

$15.00$15.00
In stock
SKU:
Categories:Crane
Shipping By Link Download
Shipping By Link Download
Secure Private Information
Secure Private Information
Guarantee Secure Payment
Guarantee Secure Payment

Support Contact:

Admin@autoepcsoft.org

Hitachi KH100D Electrical Circuit Diagram
Size: 4.12 MB
Machine: Hydraulic Crawler Crane
Machine Model: KH100D
Page: 1 Pages

Related products