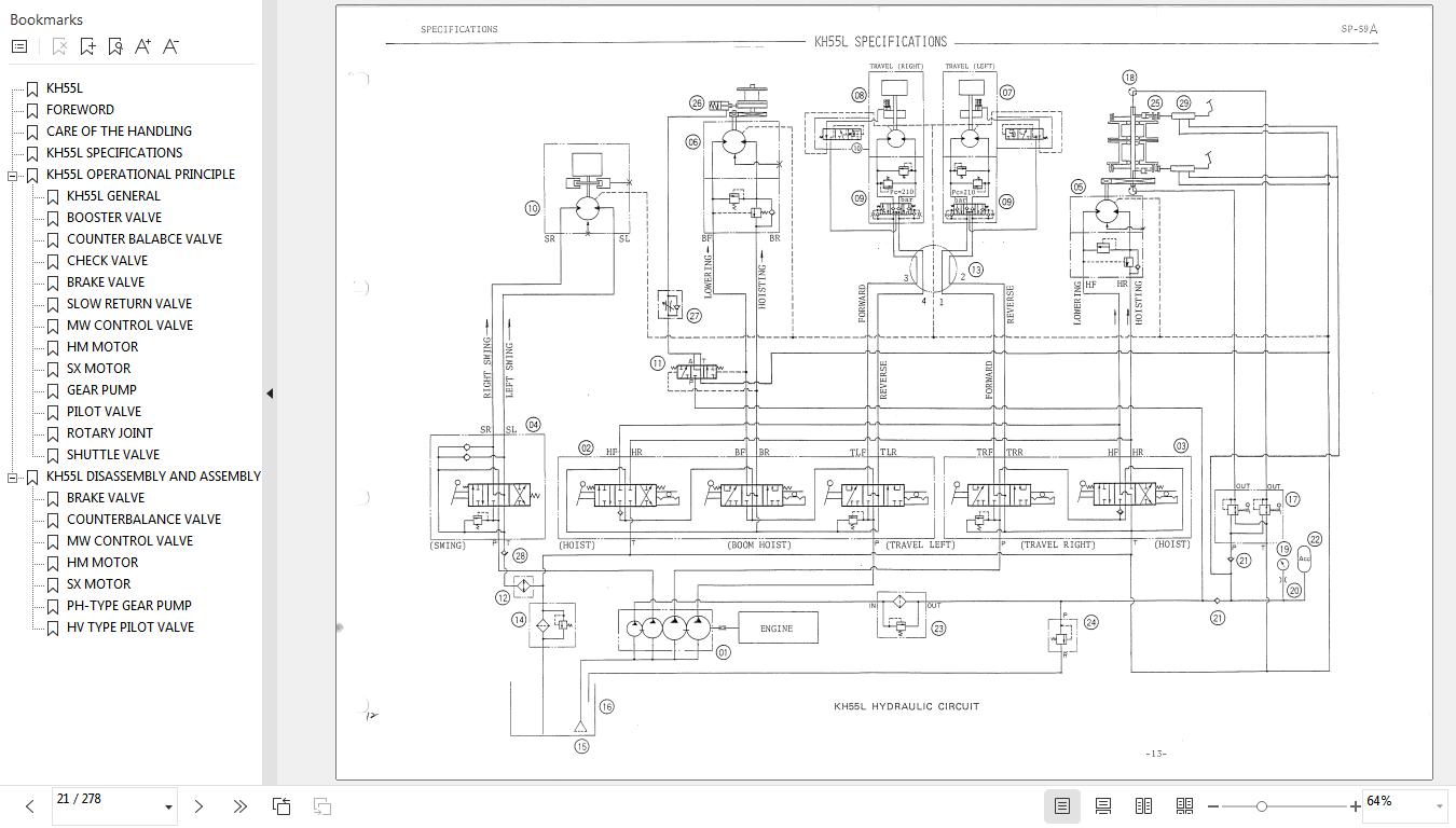
Hitachi KH55L Dragline Service Manual KM055-00
Size: 35.2 MB
Machine: Dragline
Machine Model: KH55L
Page: 278 Pages
Part Number: KM055-00
Hitachi KH55L Dragline Service Manual KM055-00
Size: 35.2 MB
Machine: Dragline
Machine Model: KH55L
Page: 278 Pages
Part Number: KM055-00

