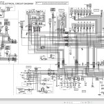
Hitachi LX70-5 LX80-5 Electrical Circuit Diagram TT487E-00
Size: 3.7 MB
Machine: Wheel Loader
Machine Model: LX70-5 LX80-5
Page: 6 Pages
Part Number: TT487E-00
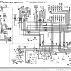
Hitachi LX70-5 LX80-5 Electrical Circuit Diagram TT487E-00
Size: 3.7 MB
Machine: Wheel Loader
Machine Model: LX70-5 LX80-5
Page: 6 Pages
Part Number: TT487E-00

