Hitachi SCX400T Technical Manual Troubleshooting TT23B-E-00
Size:7.74 MB
Machine: Telescopic Crawler Crane
Machine Model: SCX400T
Manual Number: KM-23B-E
Volumes Number: TT23B-E-00
The Bookmarks of Hitachi SCX400T Telescopic Crawler Crane Technical Manual Troubleshooting:
Cover
Introduction
Safety
Contents
Section 6 Operational Performance Test
Introduction
Standard
Engine Test
Crane Test
Component Test
Section 7 Troubleshooting
Diagnosing Procedure
Component Layout
Troubleshooting A
Troubleshooting B
Troubleshooting C
Electrical System Inspection
Service Manual Revision Request Form
Attached Diagram List:
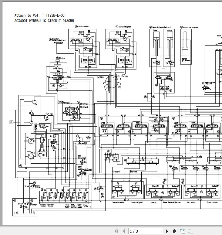
1. SCX400T, Hydraulic Circuit Diagram
2. SCX400T, Electrical Circuit Diagram
3. SCX400T, Connector Terminal Arrangement Diagram


