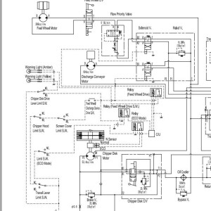
Hitachi ZR30FC Electrical & Hydraulic Circuit Diagram T8J9-E-00
Size: 3.02 MB
Machine: Track Mounted Fine Chipper
Machine Model: ZR30FC
Parts Number: T8J9-E-00
Content:
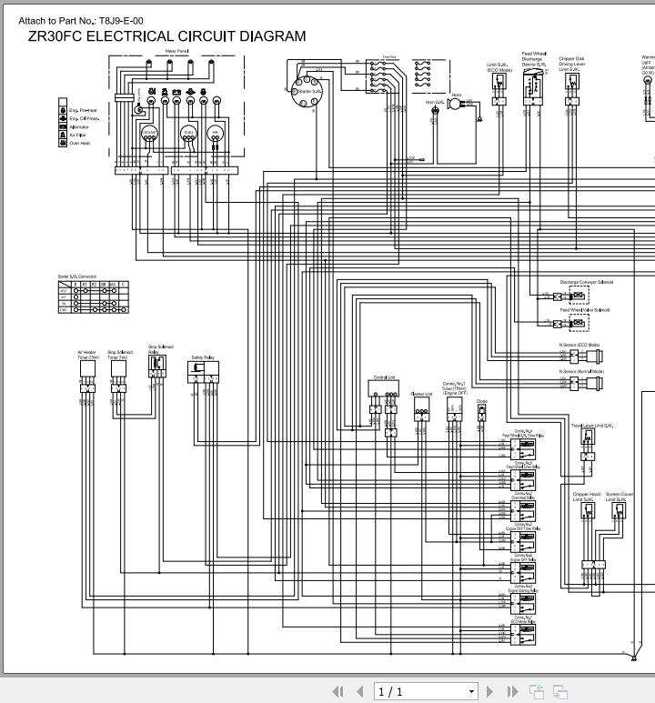
Hitachi ZR30FC Electrical Circuit Diagram T8J9-E-00 1 Page
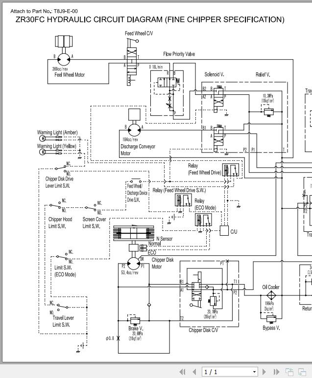
Hitachi ZR30FC Hydraulic Circuit Diagram (Fine Chipper Specification) T8J9-E-00 1 Page
Hitachi ZR30FC Hydraulic Circuit Diagram (Wood Splitting Specification) T8J9-E-00 1 Page


