Hitachi ZV250PR-D Yanmar L48N6-VH Engine Parts Catalog PTTA90-EG1-1
Size: 2.21 MB
Machine: Yanmar Engine
Machine Model: L48N6-VH
Serial Number: 01010 and up
Publication Date: 2014
Page: 56 Pages
Parts Number: PTTA90-EG1-1
The Bookmarks of Hitachi ZV250PR-D Yanmar L48N6-VH Engine Parts Catalog:
Cover
Memorandum
Foreword
Contents
Engine
Cylinder Block
Drain Plug
Label
Cylinder Head And Bonnet
Intake Manihold
Air Cleaner
Exhaust Muffler
Camshaft
Crankshaft
Flywheel
Piston And Connecting Rod
Balancer Shaft
Lub.Oil Pump And Governor
Oil Pressure Switch Cap
Cover
Cooling Fan Case
F.I.Pump & F.I.Valve
Fuel Tank, Fuel Pipe
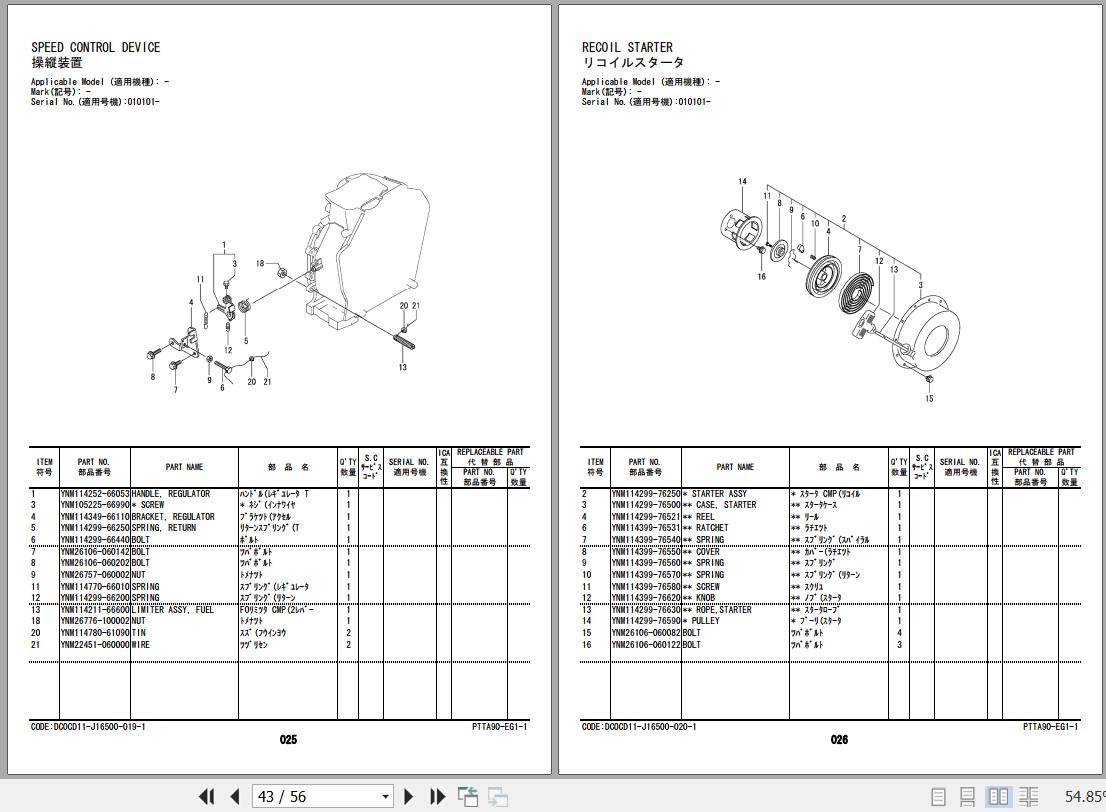
Speed Control Device
Recoil Starter
Electrical Equipment
Dynamo
Accessories
Gasket Set
Parts Index


