Hitachi ZW100-G ZW120-G Technical Manual TT4FK-E-00
Size: 32.1 MB
Machine: Wheel Loader
Machine Model: ZW100-G ZW120-G
Publication Date: 04.2011
Part Number: TT4FK-E-00
Hitachi ZW100-G ZW120-G Technical Manual Troubleshooting TT4FK-E-00 424 Page
Hitachi ZW100-G ZW120-G Engine Harness TT4FL-E-00 JP EN.pdf 2 Page
Hitachi ZW100-G ZW120-G Feed Pump Harness Schematic TT4FL-E-00 EN JP.pdf 1 Page
Hitachi ZW100-G ZW120-G Front Consol Harness Schematic TT4FL-E-00 JP EN.pdf 2 Page
Hitachi ZW100-G ZW120-G Front Frame Harness TT4FL-E-00 EN JP.pdf 2 Page
Hitachi ZW100-G ZW120-G Hydraulic Schematic TT4FL-E-00.pdf 1 Page
Hitachi ZW100-G ZW120-G Rear Console Harness Schematic TT4FL-E-00.pdf 1 Page
Hitachi ZW100-G ZW120-G Rear Console Harness(Canopy ) TT4FL-E-00 EN JP.pdf 1 Page
Hitachi ZW100-G ZW120-G Rear Frame Harness Schematic TT4FL-E-00EN JP.pdf 1 Page
Hitachi ZW100-G ZW120-G Transmission Harness TT4FL-E-00 EN JP.pdf 1 Page
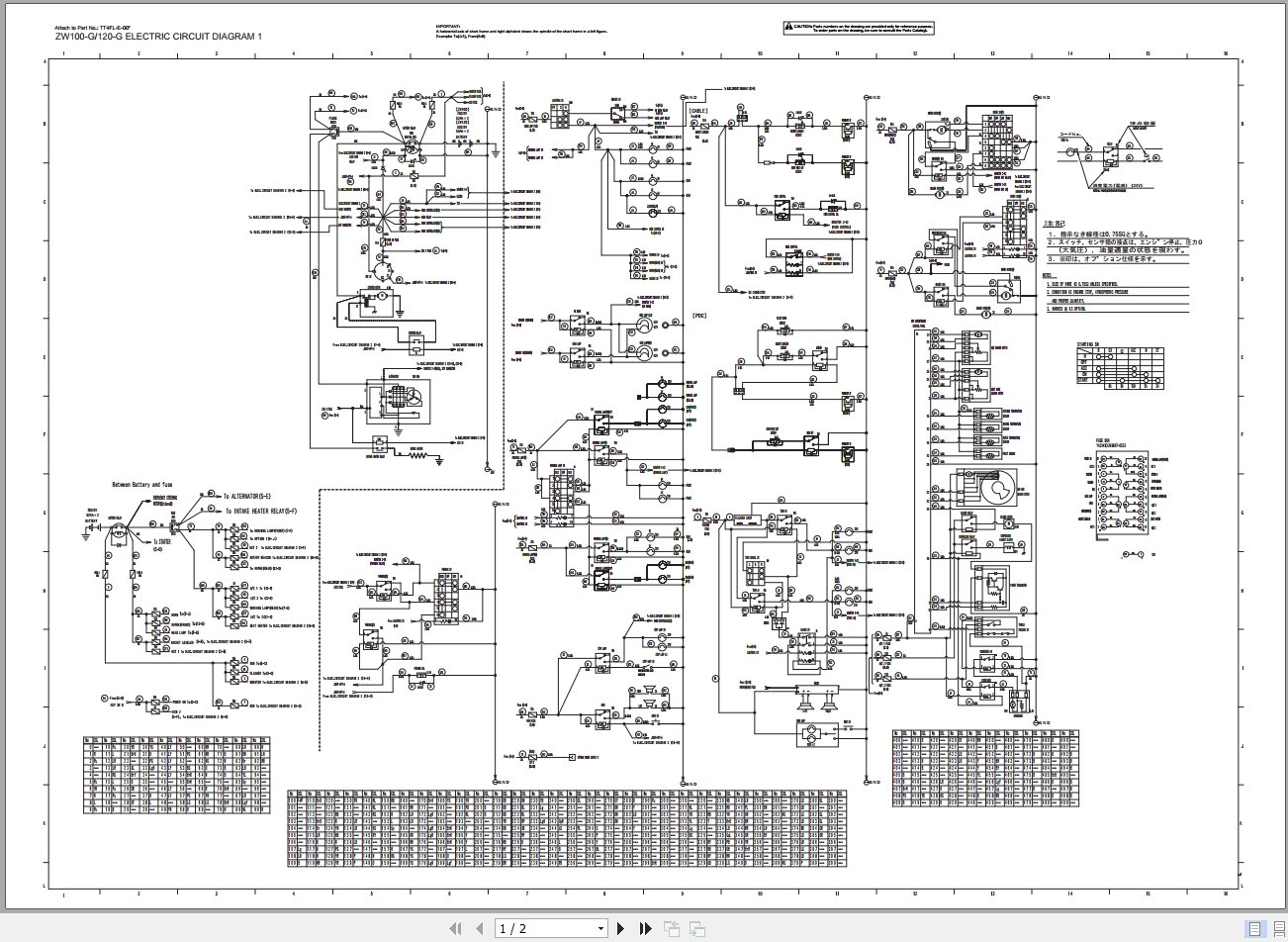
Hitachi ZW100-G ZW120G Electrical Circuit Diagram TT4FL-E-00.pdf 2 Page
The Bookmarks of Hitachi ZW100-G ZW120-G Wheel Loader Technical Manual(Troubleshooting):
Section 4 Operational Performance Test
Group 1 Introduction
Group 2 Standard
Group 3 Engine Test
Group 4 Wheel Loader Test
Group 5 Component Test
Section 5 Troubleshooting
Group 1 Diagnosing Procedure
Group 2 Dr.Zx
Group 3 E-Wheel
Group 4 Component Layout
Group 5 Troubleshooting A
Group 6 Troubleshooting B
Group 7 Troubleshooting C
Group 8 Electrical System Inspection
Service Manual Revision Request Form
The Attached Diagram List
1. ZW100-G/120-G Electric Circuit Diagram 1
2. ZW100-G/120-G Electric Circuit Diagram 2
3. ZW100-G/120-G Rear Console Harness
4. ZW100-G/120-G Rear Frame Harness 1
5. ZW100-G /120-G Transmission Harness
ZW100-G /120-G Front Frame Harness
6. ZW100-G/120-G Rear Frame Harness 2
ZW100-G/120-G Feed Pump Harness
7. ZW100-G/120-G Front Console Harness 1
ZW100-G/120-G Front Console Harness 2
8. ZW100-G/120-G Rear Console Harness (Canopy)
9. ZW100-G/120-G Engine Harness 1
ZW100-G/120-G Engine Harness 2
10.ZW100-G/120-G Hydraulic Circuit Diagram


