Hitachi ZW120-5B Electrical Hydraulic Circuit Diagram TTNCC-EN-00
Size: 12.5 MB
Machine: Wheel Loader
Machine Model: ZW120-5B
Page: 21 Pages
Part Number: TTNCC-EN-00
The Bookmarks of Hitachi ZW120-5B Electrical Hydraulic Circuit Diagram TTNCC-EN-00:
Electric Circuit Diagram 1
Electric Circuit Diagram 2
Rear Frame Harness
Rear Console Harness
Front Frame Harness
Front Console Harness
Right Console Harness (Standard)
Right Console Harness (Optional)
Right Console (Mf Lever) Harness
Column Box Harness
Rear Frame Left Harness
Transmission Harness
Pilot Shvt-Off Solenoid Valve (Hydrauuc Operated Type) (Optional)
Lift Arm Kickout Harness (Optional)
Emergency Steering Switch Harness (Optional)
Emergency Steering Pump Harness (Optional)
Quick Coupler Switch Harness (Optional)
Quick Coupler Harness (Optional)
Cab Harness
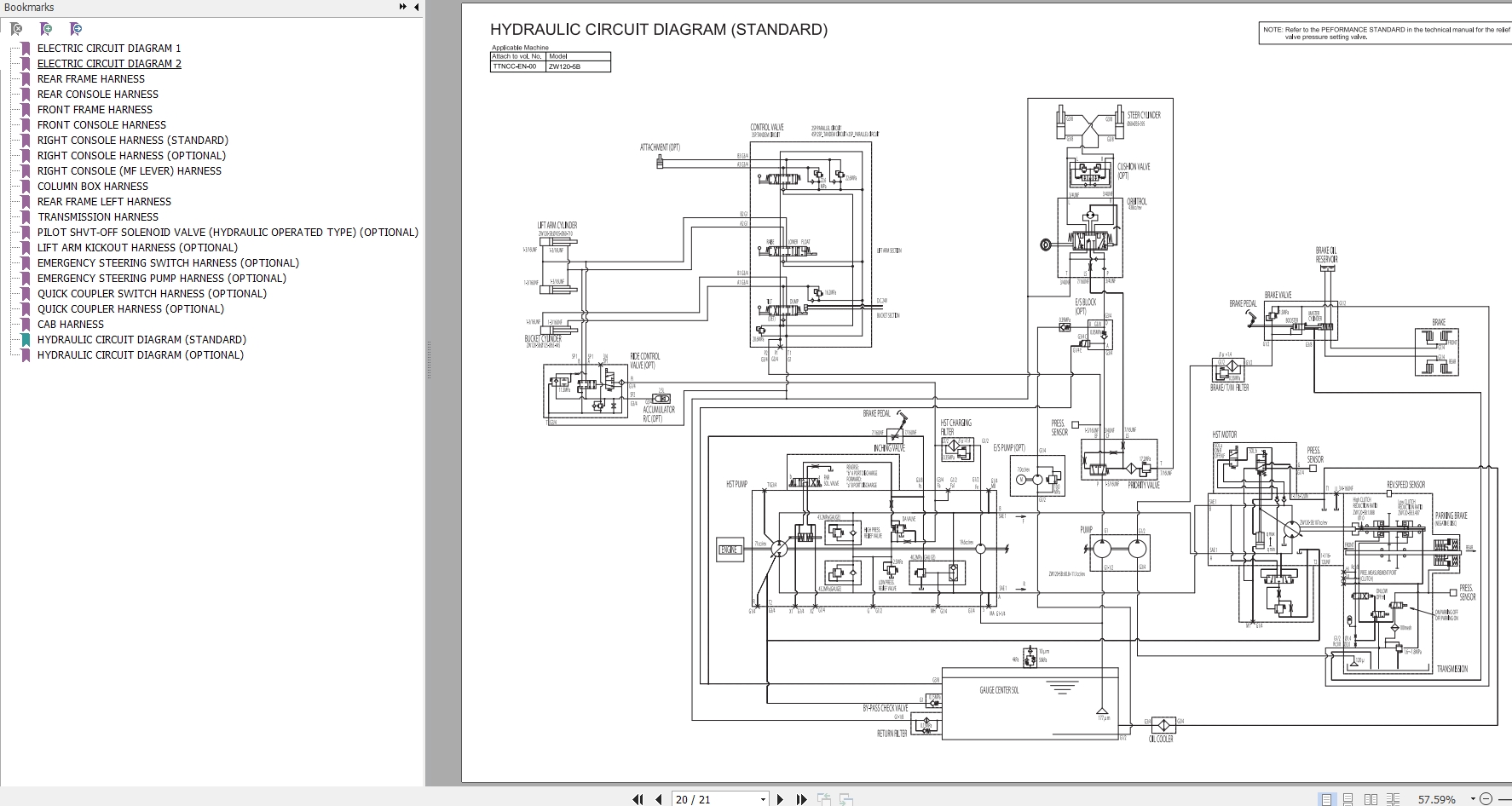
Hydraulic Circuit Diagram (Standard)
Hydraulic Circuit Diagram (Optional)

