Hitachi ZW120-6 Technical Manual TTNSA60-EN-00
Size: 40.6 MB
Machine: Wheel Loader
Machine Model: ZW120-6
Publication Date: 07.2019
Part Number: TTNSA60-EN-00
TTNSA60-EN-00(20190716) 424 Page
TTNSA60-EN-00 424 Page
TTNSA60-EN-00_CIRCUIT 15 Page
The Bookmarks of Hitachi ZW120-6 Wheel Loader Technical Manual(Troubleshooting):
Section 4 Operational Performance Test
Group 1 Introduction
Group 2 Standard
Group 3 Engine Test
Group 4 Machine Performance Test
Group 5 Component Test
Group 6 Adjustment
Section 5 Troubleshooting
Group 1 Diagnosing Procedure
Group 2 Monitor
Group 3 E-Service
Group 4 Component Layout
Group 5 Troubleshooting A
Group 6 Troubleshooting B
Group 7 Troubleshooting C
Group 8 Air Conditioner
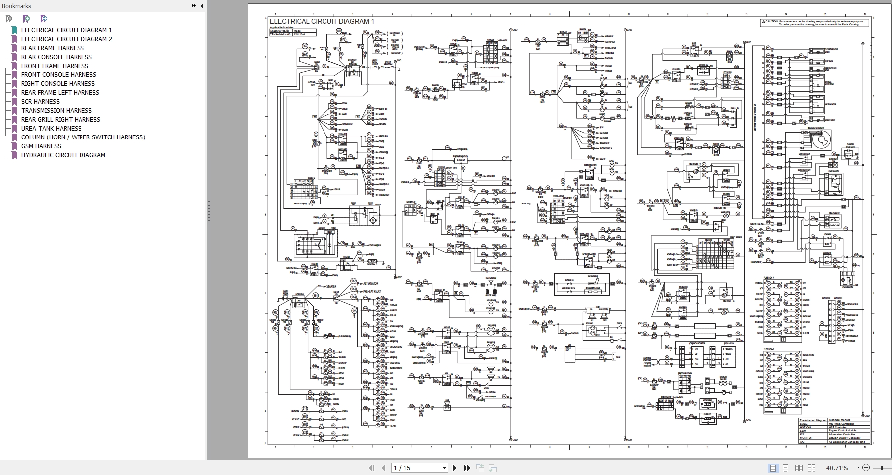
Electrical Circuit Diagram 1
Electrical Circuit Diagram 2
Rear Frame Harness
Rear Console Harness
Front Frame Harness
Front Console Harness
Right Console Harness
Rear Frame Left Harness
Scr Harness
Transmission Harness
Rear Grill Right Harness
Urea Tank Harness
Column (Horn / Wiper Switch Harness)
Gsm Harness
Hydraulic Circuit Diagram


