Hitachi ZW150-5B ZW150PL-5B Technical Manual TTNDG-EN-01
Size: 57.8 MB
Machine: Wheel Loader
Machine Model: ZW150-5B ZW150PL-5B
Publication Date: 01.2018
Part Number: TTNDG-EN-01
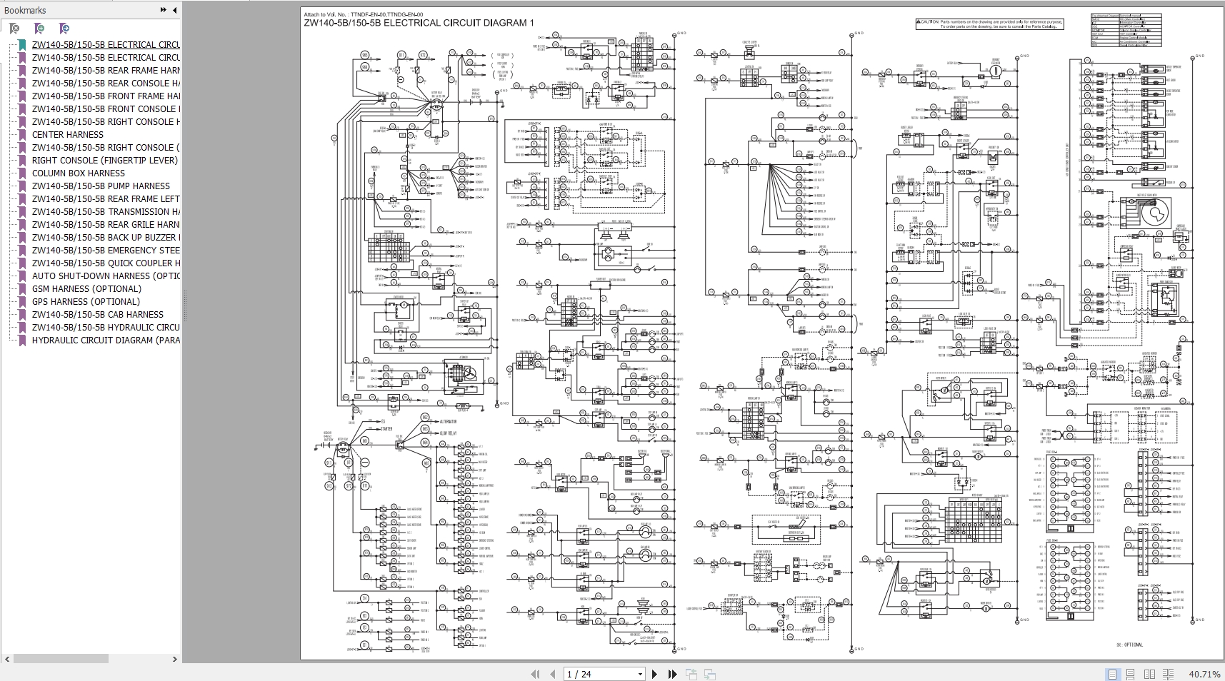
Hitachi ZW140-5B ZW150-5B Electrical Hdraulic Circuit Diagram TTNDG-EN-01 24 Page
TTNDG-EN-01(20150427) 504 Page
TTNDG-EN-01(20160219) 504 Page
TTNDG-EN-01(20180126) 504 Page
TTNDG-EN-01 504 Page
The Bookmarks of Hitachi ZW150-5B ZW150PL-5B Wheel Loader Technical Manual(Troubleshooting):
Section 4 Operational Performance Test
Group 1 Introduction
Group 2 Standard
Group 3 Engine Test
Group 4 Machine Performance Test
Group 5 Component Test
Group 6 Adjustment
Section 5 Troubleshooting
Group 1 Diagnosing Procedure
Group 2 Monitor
Group 3 E-Service
Group 4 Component Layout
Group 5 Troubleshooting A
Group 6 Troubleshooting B
Group 7 Troubleshooting C
Group 8 Air Conditioner
Service Manual Revision Request Form
The Attached Diagram List
1. Electrical Circuit Diagram 1
Electrical Circuit Diagram 2
2. Rear Frame Harness
Rear Console Harness
3. Front Frame Harness
Front Console Harness
4. Right Console Harness
Center Harness
5. Right Console (Mf Lever) Harness
Right Console (Fingertip Lever) Harness (Optional)
6. Column Box Harness
Pump Harness
7. Rear Frame Left Harness
Transmission Harness
8. Rear Grile Harness
Back Up Buzzer Harness
9. Emergency Steering Harness (Optional)
Quick Coupler Harness (Optional)
10. Auto Shut-Down Harness (Optional)
11. Gsm Harness (Optional)
Gps Harness (Optional)
12. Cab Harness
13. Hydraulic Circuit Diagram
Hydraulic Circuit Diagram (Parallel Link Type)


