Hitachi ZW180-5A Technical Manual TTNDJ-EN-00
Size: 31.6 MB
Machine: Wheel Loader
Machine Model: ZW180-5A
Publication Date: 01.2018
Part Number: TTNDJ-EN-00
Hitachi ZW180-5A ZW220-5A Electrical Hydraulic Circuit Diagram TTNDJ-EN-00 23 Page
TTNDJ-EN-00(20180126) 436 Page
TTNDJ-EN-00 436 Page
The Bookmarks of Hitachi ZW180-5A Wheel Loader Technical Manual(Troubleshooting):
Section 4 Operational Performance Test
Group 1 Introduction
Group 2 Standa
Group 3 Engine Test
Group 4 Machine Performance Test
Group 5 Component Test
Group 6 Adjustment
Section 5 Troubleshooting
Group 1 Diagnosing Procedure
Group 2 Monitor
Group 3 E-Service
Group 4 Component Layout
Group 5 Troubleshooting A
Group 6 Troubleshooting B
Grouo 7 Air Conditioner
Service Manual Revision Request Form
The Attached Diagram List
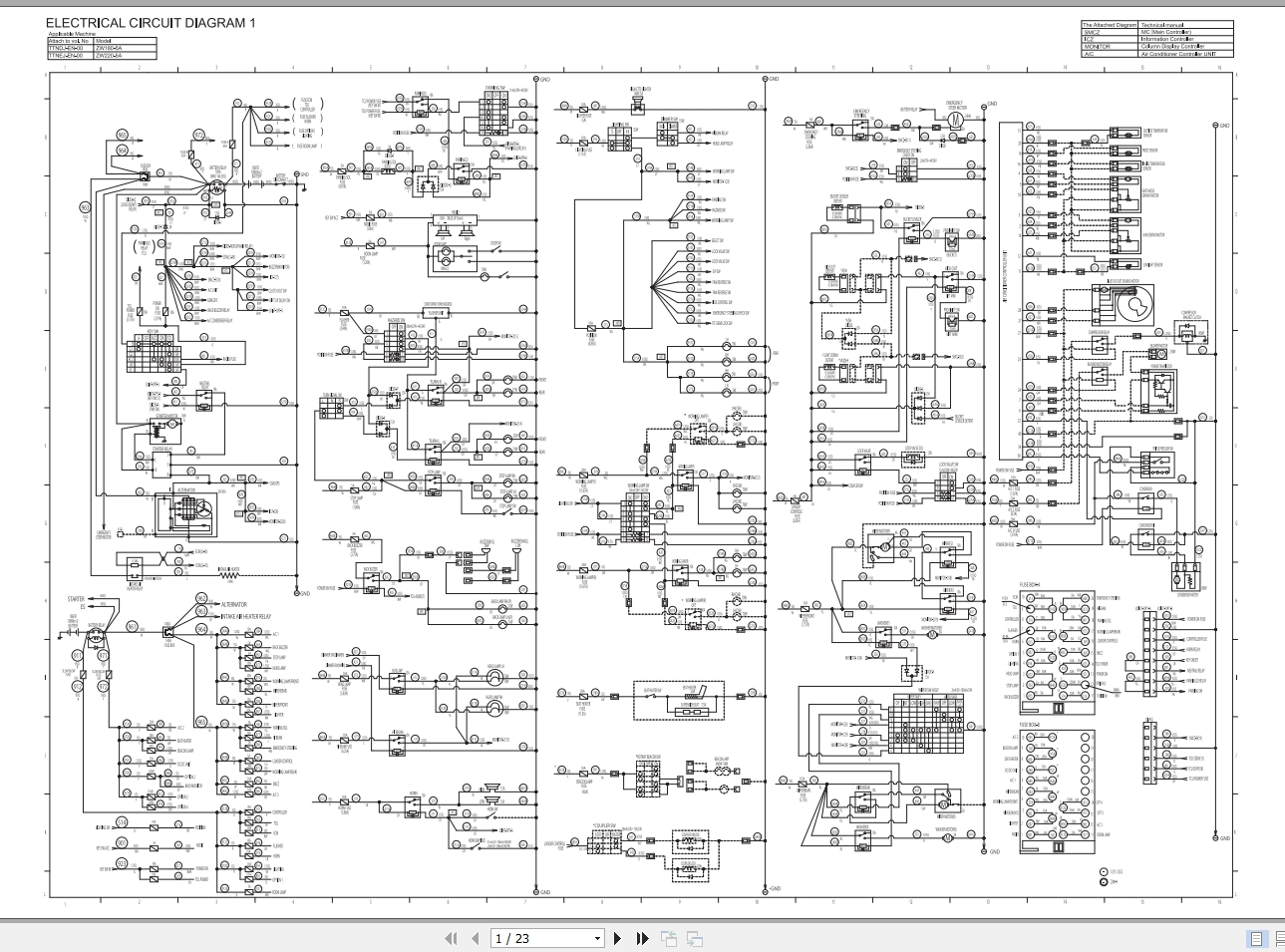
1. Electrical Circuit Diagram 1
Electrical Circuit Diagram 2
2. Electrical Circuit Diagram 1 (Canopy)
Electrical Circuit Diagram 2 (Canopy)
3. Rear Frame Harness
Rear Console Harness
4. Front Frame Harness
Front Console Harness
5. Right Console Harness
Center Harness
6. Right Console (Mf Lever) Harness
Right Console (Fingertip Lever) Harness
7. Column (Horn/Wiper Switch) Harness
Rear Frame Left Harness
8. Hydraulic Oil Tank Harness
Transmission Harness
9. Ride Control Harness
Lift Arm Kick Out Harness
10. Emergency Steering Harness 1 (Optional)
Emergency Steering Harness 2 (Optional)
11. Head Lamp Harness
Fan Harness
12. Hydraulic Circuit Diagram


