Hitachi ZW30-5B Tehnical Manual TTNBB-EN-00
Size: 2.11 MB
Machine: Wheel Loader
Machine Model: ZW30-5B
Publication Date: 08.2019
Part Number: TTNBB-EN-00
Hitachi ZW30-5B Tehnical Manual TTNBB-EN-00 162 Pages
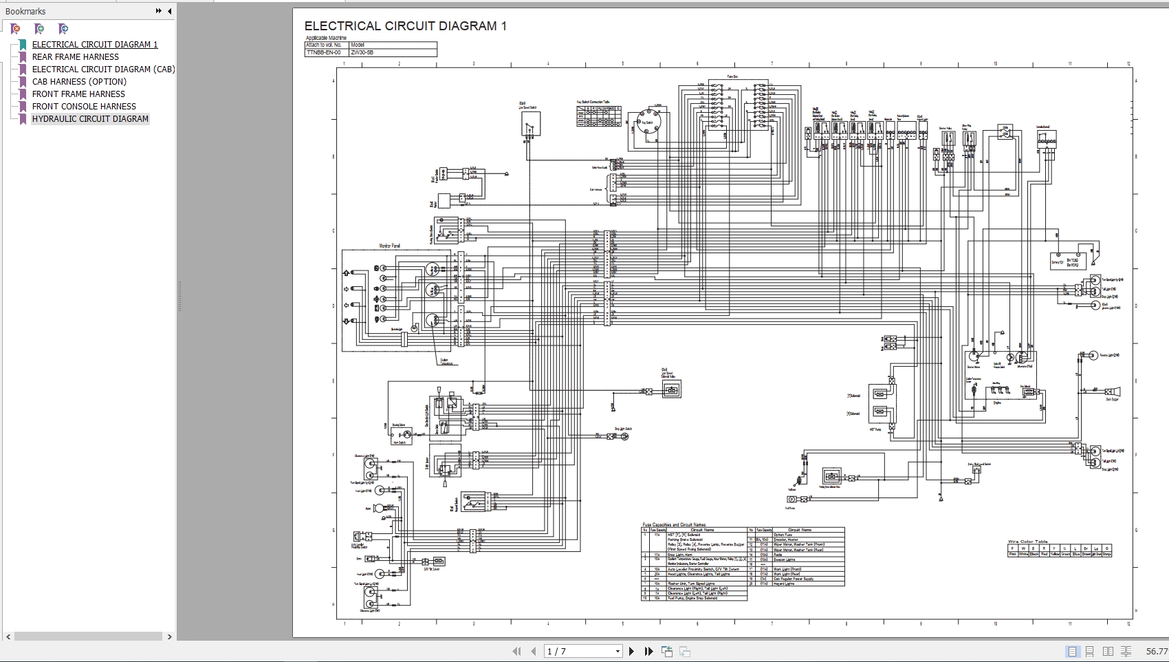
Hitachi ZW30-5B Electrical Hydraulic Circuit Diagram TTNBB-EN-00 7 Pages
The Bookmarks of Hitachi ZW30-5B Wheel Loader Technical Manual(Troubleshooting):
Section 4 Operational Performance Test
Group 1 Introduction
Group 2 Standard
Group 3 Engine Test
Group 4 Machine Performance Test
Group 5 Component Test
Group 6 Adjustment
Section 5 Troubleshooting
Group 1 Diagnosing Procedure
Group 2 Troubleshooting B
Group 3 Troubleshooting C
The following diagrams are attached to this manual.
1. Electrical Circuit Diagram 1
Rear Frame Harness
2. Electrical Circuit Diagram (Cab)
Cab Harness (Option)
3. Front Frame Harness
Front Console Harness
4. Hydraulic Circuit Diagram


