Hitachi ZW80-5B Technical Manual TTNCH60-EN-00
Size: 19.5 MB
Machine: Wheel Loader
Machine Model: ZW80-5B
Publication Date: 04.2019
Part Number: TTNCH60-EN-00
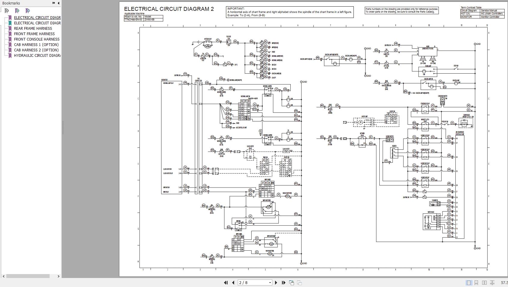
Hitachi ZW80-5B Electrical Circuit Diagram TTNCH60-EN-00 8 Pages
Hitachi ZW80-5B Technical Manual Troubleshooting TTNCH60-EN-00 274 Pages
The Bookmarks of Hitachi ZW80-5B Wheel Loader Technical Manual(Troubleshooting):
Section 4 Operational Performance Test
Grouo 1 Introduction
Group 2 Standard
Group 3 Engine Test
Group 4 Machine Performance Test
Group 5 Component Test
Section 5 Troubleshooting
Group 1 Diagnong Procedure
Group 2 Monitor
Group 3 Component Layout
Group 4 Troubleshooting A
Group 5 Troubleshooting B
Group 6 Troubleshooting C
The Attached Diagram List
Service Manual Revision Request Form
1. ZW80 REAR HARNESS 1
ZW90 REAR HARNESS 1
2. ZW80 REAR HARNESS 2
ZW90 REAR HARNESS 2
3. ZW80 REAR HARNESS 3
ZW90 REAR HARNESS 3
4. ZW80/90 FRONT HARNESS
ZW80/90 MAIN HARNESS
5. ZW80/90 ELECTRICAL CIRCUIT DIAGRAM 1
ZW80/90 ELECTRICAL CIRCUIT DIAGRAM 2 (Cab)
6. ZW80/90 HYDRAULIC CIRCUIT DIAGRAM


