Hitachi ZX330-3 Operators Parts Technical and Workshop Manual
Size: 80.2 MB
Language: English, Japanese
Machine: Excavator
Machine Model: ZX330-3
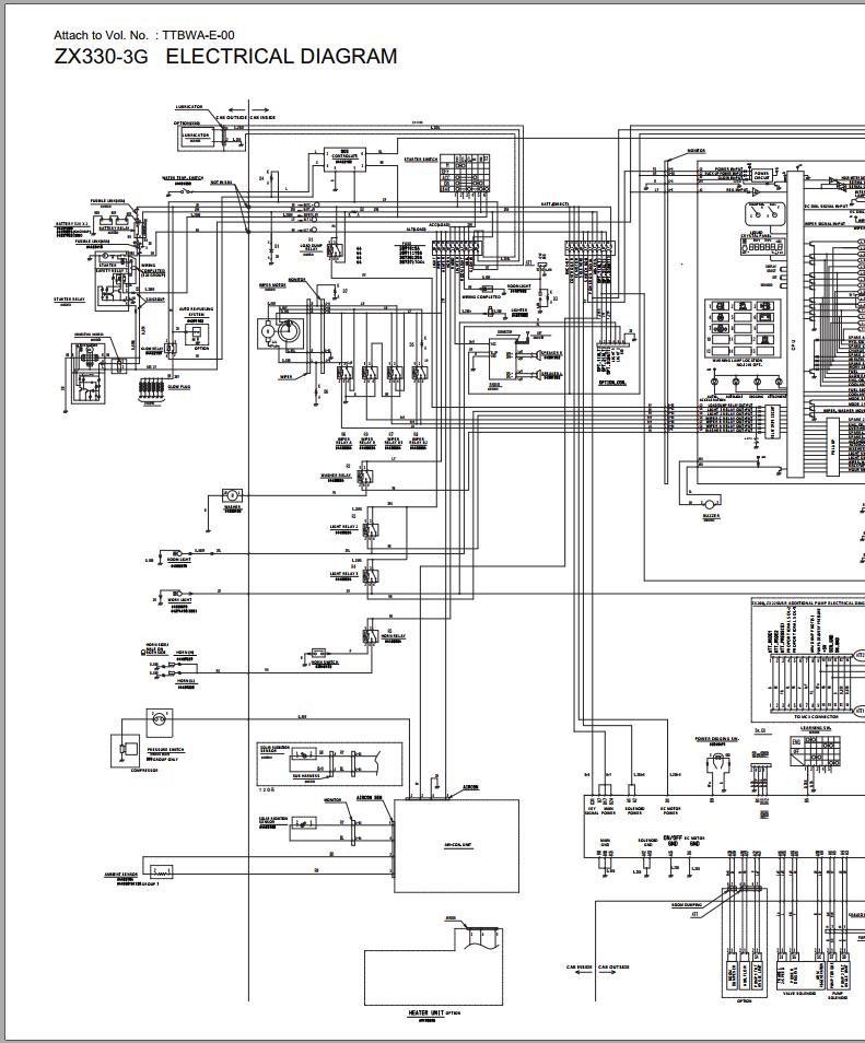
Manual: Wiring Diagram, Operators Manual, Parts Manual, Technical Manual, Workshop Manual
List Files:
Hitachi ZX120-3class ZX180-3class ZX200-3class ZX270-3class ZX330-3class Operators Manual EM1U1-3-6
Hitachi ZX330-3 Series Isuzu 6HK1-XYSA01 Engine Parts Catalog 6HK1-XYSA01-13
Hitachi ZX330-3 ZX330LC-3 ZX350LC-3 ZX350LCN-3 ZX350H-3 ZX350LCH-3 ZX350K-3 ZX350LCK-3 Parts Catalog P1V7-1-6
Hitachi ZX330-3G ZX350H-3G ZX350K-3G ZX360H-3G Technical Manual Operational Principle TOBWA-E-00
Hitachi ZX330-3G ZX350H-3G ZX350K-3G ZX360H-3G Technical Manual Troubleshooting TTBWA-E-00
Hitachi ZX330-3G ZX350H-3G ZX350K-3G ZX360H-3G Workshop Manual WBWA-E-00
Hitachi Isuzu 4HK1 & 6HK1 Engine Manual KM-4HK1-E-03 (2-2)
Hitachi Isuzu 6HK1 Engine Manual KM-6HK1-E-02 (1-2)





